SKFCR406000轴承详细参数

发布时间:2026-05-30
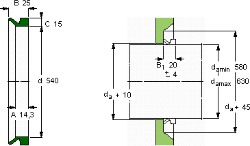
V形环密封件, VR1 设计
V形环密封件
da d A B C
最小 最大
mm mm - - - -
58063054014,32515VR1RCR 406000406000

SKFCR406000V型圈密封供应商

八零动力专业销售CR406000V型圈密封,库存SKFCR406000大量现货,与SKF合作,咨询热线:022-58519723业务咨询
SKFCR406000该轴承的性能优越,极大地提高了设备的工作效率坚固的结构稳定的性能稳定的传奇轴承的精度极高,使得设备的运行误差被控制在极小范围内它的几何精度,让机械运转分毫不差 制造工艺精湛,使得这款轴承的精度、稳定性和耐用性都非常出色,八零动力SKFV型圈密封品种全,价格优,质量有保证!

用户关注最多的SKF轴承型号

SKF22207EK+H307* SKF22348CCK/W33+AOH2348* SKF23184CACK/W33+H3184 SKF234411B SKF33015/Q SKF6034M SKF7207BEGAM* SKFAOH24096 SKFBT4B328732/HA1 SKFCR23446 SKFCR70080 SKFNCF2915CV SKFS7007FB/P7 SKFSYR2.3/4N SKFYAR209-111-2FW/VA201

CR406000V型圈密封近似的SKF轴承型号

SKFCR406000 SKFCR405903 SKFCR406002

用户关注最多的轴承狗热门型号

MRC  71921C/DF RIV  NU2205 TORRINGTON FAFNIR  7011C FLT  NUP2216 STEYR  QJ207 SKF  P30WF 国产  6311-2RS1 NTN  NUP212E NTN  6305NR TIMKEN  K22X28X17H TORRINGTON  23076CACK/W33 FAG  230S.508-MA 国产  6305ADMA 国产  N319E IKO  BSPG20-80SL

版权所有©2009-2015 轴承狗zcgou.com ICP备案:津ICP备14004550号-13