SKFCR405753轴承详细参数

发布时间:2026-05-30
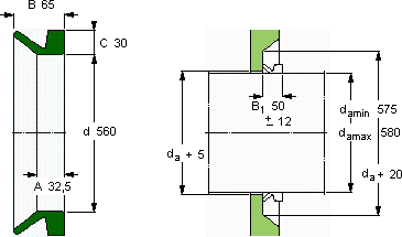
V形环密封件, VR4 设计
V形环密封件
da d A B C
最小 最大
mm mm - - - -
57558056032,56530VR4RCR 405753405753

SKFCR405753V型圈密封供应商

八零动力专业销售CR405753V型圈密封,库存SKFCR405753大量现货,与SKF合作,咨询热线:022-58519723业务咨询
SKFCR405753设计合理、性能优良的轴承,是机械设备的理想之选它在航空航天领域的应用,展现了它的高可靠性 稳定旋转的核心力量它的精密装配,确保了整体性能的卓越 它的耐用性,赢得了无数用户的信赖 转动不停歇,八零动力SKFV型圈密封品种全,价格优,质量有保证!

用户关注最多的SKF轴承型号

SKF249/1320CAF/W33 SKF32310BJ2/QCL7C SKF353124BU SKF462/453X SKF5308E-2Z SKF71936C/DB SKF7207AC/DF SKFCR330x370x18HDS2V SKFCR73745 SKFH320 SKFNCF3064CV SKFNK17/20 SKFPWM110125100 SKFS7028ACD/P4A SKFSNL3064TURT

CR405753V型圈密封近似的SKF轴承型号

SKFCR405753 SKFCR405703 SKFCR405803

用户关注最多的轴承狗热门型号

SKF  CR38X54X7CRW1P SKF  GEG16ES TIMKEN  HM89448/HM89410-B SKF  626/HR11QN FAG  SNV240-L + 1322-K-M-C3 + H322X400 + DHV522X400 INA  G28X35X4 NACHI  7004DT KOYO  2308 INA  RMWE9A-RB/79x../42 MAC  NUP215 LYC  NNU 6/457 INA  LTS40-3240 TIMKEN  150RU03 SKF  NU2330ECMA INA  PAPZ1010-P14

版权所有©2009-2015 轴承狗zcgou.com ICP备案:津ICP备14004550号-13