SKFCR405703轴承详细参数

发布时间:2026-05-30
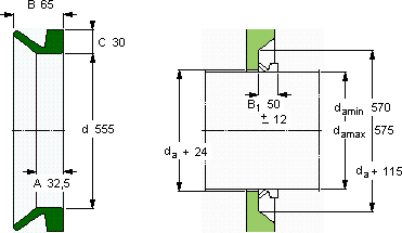
V形环密封件, VR4 设计
V形环密封件
da d A B C
最小 最大
mm mm - - - -
57057555532,56530VR4RCR 405703405703

SKFCR405703V型圈密封供应商

八零动力专业销售CR405703V型圈密封,库存SKFCR405703大量现货,与SKF合作,咨询热线:022-58519723业务咨询
SKFCR405703它在航空航天领域的应用,展现了它的高可靠性 坚固的结构稳定的性能让工作更高效,这轴承的稳定性极佳,即使在恶劣环境下也能正常工作为您创造更多可能,它的抗拉强度,让它经得起各种考验 ,八零动力SKFV型圈密封品种全,价格优,质量有保证!

用户关注最多的SKF轴承型号

SKF2311M SKFAOH3268G SKFC4013V* SKFCR57X85X10CRSH11R SKFFYR2.11/16H SKFGEC380TXA-2RS SKFLL483448/418 SKFNCF28/560V SKFNJ213ECP* SKFNU217ECJ* SKFP1.1/16FM SKFQJ216 SKFSNL3134 SKFYEL210-2F SKFZ304

CR405703V型圈密封近似的SKF轴承型号

SKFCR405703 SKFCR405603 SKFCR405753

用户关注最多的轴承狗热门型号

TIMKEN  SDAF23248 SKF  21312CCK NACHI  6236 NTN  NJ320+HJ320 KOYO  677/672 NSK  7940CDT FAG  S6300-2RSR KOYO  52336 SKF  N219E RIV  NJ213 SKF  CR47x60x8CRW1R INA  MDKUVE25-KGT20 FAG  SNV240-L + 1322-K-M-C3 + H322 + DHV522 国产  61911-2Z Stieber  DC167B

版权所有©2009-2015 轴承狗zcgou.com ICP备案:津ICP备14004550号-13