
SKFCR99687轴承详细参数
发布时间:2026-04-14
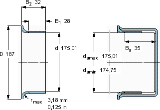
| | | | | | | | | | |
| 耐磨套管, SKF SPEEDI-SLEEVE | | |
 |
| 轴 | SKF SPEEDI-SLEEVE | | |
| | 尺寸 | 型号 | US stock | 说明 |
| da | d | D | B1 | B2 | Ba | number | |
| 最小 | 最大 | ±1,6 mm | ±0,8 mm | ±0,8 mm | ≈ | | |
| | | | ±0,063 in | ±0,031 in | ±0,031 in | | | | |
 |
| mm | mm | - | - | - |
 |
| 174,75 | 175,01 | 175,01 | 187 | 28 | 32 | 35 | CR 99687 | 99687 | |
SKFCR99687耐磨轴套供应商
- 八零动力专业销售CR99687耐磨轴套,库存SKFCR99687大量现货,与SKF合作,咨询热线:022-58519723

- SKFCR99687它的抗磨损涂层,让它更加耐用 设计独特、性能优越的轴承,满足了不同用户的需求它的轴向跳动控制,确保了机械的平稳运行 质量无可比拟的轴承,在行业内树立了良好的品质标杆它的疲劳强度,确保了长期使用的可靠性 它的精密装配,确保了整体性能的卓越 ,八零动力SKF耐磨轴套品种全,价格优,质量有保证!
用户关注最多的SKF轴承型号
SKF24068CACK30/W33
SKF2x7405BGAM
SKF3306A-RS
SKF61815-RZ
SKFBC4B322216B/HA3VJ212
SKFBK1412
SKFCR15214
SKFCR594648
SKFCR79302
SKFE2.6200-2Z/C3
SKFFSAFC2520
SKFNK110/40
SKFNJ313E+HJ313E
SKFNUP212ECJ*
SKFYET207/VL065