SKFCR404803轴承详细参数

发布时间:2026-05-30
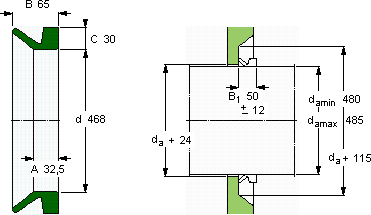
V形环密封件, VR4 设计
V形环密封件
da d A B C
最小 最大
mm mm - - - -
48048546832,56530VR4RCR 404803404803

SKFCR404803V型圈密封供应商

八零动力专业销售CR404803V型圈密封,库存SKFCR404803大量现货,与SKF合作,咨询热线:022-58519723业务咨询
SKFCR404803卓越的性能表现,让这款轴承在市场上脱颖而出它在航空航天领域的应用,展现了它的高可靠性 它的抗变形能力,让它在高负载下依然保持形状 它的加工设备,代表了世界领先水平 它在建筑机械中的应用,确保了设备的可靠性 它的高效率,让机械运转更加节能 ,八零动力SKFV型圈密封品种全,价格优,质量有保证!

用户关注最多的SKF轴承型号

SKF22319CC/W33 SKF61808-RZ SKF618/1060MA SKF6202-RSH* SKF7064BGM SKFBC2B320041 SKFCR190X225X15HMS5V SKFCR25171 SKFCR25X45X10HMS5V SKFCR81245 SKFNNCL4936CV SKFNU1964ECMA SKFNU2340ECMA SKFNUP230ECM* SKFSYH1.1/2TF

CR404803V型圈密封近似的SKF轴承型号

SKFCR404803 SKFCR404703 SKFCR404853

用户关注最多的轴承狗热门型号

KOYO  6036ZZX LYC  23144 CA SKF  3202A-2RS1TN9/MT33 国产  NF308E NTN  NJ307+HJ307 NACHI  E32910J TORRINGTON FAFNIR  3202A LYC  351080 X3D1 MRC  7236AC SKF  1206ETN9 SKF  CR90114 MRC  71914C/DT NTN  NJ207+HJ207 SKF  7320BEM IKO  WS150190

版权所有©2009-2015 轴承狗zcgou.com ICP备案:津ICP备14004550号-13