SKFCR404853轴承详细参数

发布时间:2026-04-14
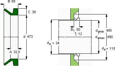
V形环密封件, VR4 设计
V形环密封件
da d A B C
最小 最大
mm mm - - - -
48549047332,56530VR4RCR 404853404853

SKFCR404853V型圈密封供应商

八零动力专业销售CR404853V型圈密封,库存SKFCR404853大量现货,与SKF合作,咨询热线:022-58519723业务咨询
SKFCR404853优秀的设计理念和精湛的制造工艺,成就了这款优秀的轴承让您的机械如虎添翼,它的每一次转动,都是对精准度的极致追求 设计独特的轴承,不仅性能优越,还具有很高的性价比它的品质卓越,是提升机械设备整体性能的关键所在它的耐磨性能,让它在恶劣环境下依然稳定运行 ,八零动力SKFV型圈密封品种全,价格优,质量有保证!

用户关注最多的SKF轴承型号

SKF22334CCK/W33 SKF23164-2CS5K/VT143* SKF31324XJ2 SKF618/1060MA SKF71956CD/P4A SKF81118TN SKFBC4B322189 SKFCR17145 SKFCR58X80X8HMSA10RG SKFHM30/530 SKFK25x30x17 SKFNU1064MP SKFSAF23044KAx8 SKFYAT205-015 SKFSILA80ES-2RS

CR404853V型圈密封近似的SKF轴承型号

SKFCR404853 SKFCR404803 SKFCR404903

用户关注最多的轴承狗热门型号

TORRINGTON FAFNIR  6312 国产  352212 MRC  6304 SKF  NUP309ECJ* SKF  YAR206-103-2F/AH SKF  2x7306BEGBM* TIMKEN  23330YM* SKF  NU328E SKF  N222E INA  RWS1808-100/x100/x28 SKF  P80R-35RM LYC  23224 C IKO  CRB10020UU IKO  CR12UU IKO  MLF10

版权所有©2009-2015 轴承狗zcgou.com ICP备案:津ICP备14004550号-13