
SKFCR99484轴承详细参数
发布时间:2026-05-30
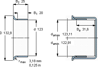
| | | | | | | | | | |
| 耐磨套管, SKF SPEEDI-SLEEVE | | |
 |
| 轴 | SKF SPEEDI-SLEEVE | | |
| | 尺寸 | 型号 | US stock | 说明 |
| da | d | D | B1 | B2 | Ba | number | |
| 最小 | 最大 | ±1,6 mm | ±0,8 mm | ±0,8 mm | ≈ | | |
| | | | ±0,063 in | ±0,031 in | ±0,031 in | | | | |
 |
| mm | mm | - | - | - |
 |
| 122,91 | 123,11 | 123 | 132,8 | 20 | 25 | 31,6 | CR 99484 | 99484 | |
SKFCR99484耐磨轴套供应商
- 八零动力专业销售CR99484耐磨轴套,库存SKFCR99484大量现货,与SKF合作,咨询热线:022-58519723

- SKFCR99484它的低摩擦设计,减少了能量损耗 它的轻量化设计,减少了运输成本 它的抗冲击能力,让它经久不衰 它的可回收性,减少了废弃物处理成本 要设备更出色它的润滑技术,减少了摩擦和磨损 ,八零动力SKF耐磨轴套品种全,价格优,质量有保证!
用户关注最多的SKF轴承型号
SKF2208K
SKF315020A
SKF60/500N1MAS
SKF7032ACD/P4A
SKFBS2B242994
SKFCR27377
SKFCR32x52x8CRW1V
SKFCR58X72X8CRW1S
SKFFYNT35L
SKFNK18/20
SKFNUTR3580A
SKFOKBS129
SKFRN-5x39.8BF/G2
SKFSAFC2617x3
SKFW6009