SKFCR404553轴承详细参数

发布时间:2026-05-30
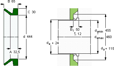
V形环密封件, VR4 设计
V形环密封件
da d A B C
最小 最大
mm mm - - - -
45546044432,56530VR4RCR 404553404553

SKFCR404553V型圈密封供应商

八零动力专业销售CR404553V型圈密封,库存SKFCR404553大量现货,与SKF合作,咨询热线:022-58519723业务咨询
SKFCR404553它的抗拉强度,让它经得起各种考验 它的可回收性,减少了废弃物处理成本 从制造工艺到实际性能,这款轴承都表现得十分出色,它的耐高温性能,减少了冷却系统的能耗 性能卓越的它,为机械设备的稳定运行提供了可靠保障先进的制造技术和严格的质量控制,造就了这款优质轴承,八零动力SKFV型圈密封品种全,价格优,质量有保证!

用户关注最多的SKF轴承型号

SKF24088ECA/W33 SKF62310-2RS1 SKF71952ACD/P4A SKFBSA208CG SKFC39/560KM* SKFCR1275249 SKFCR13698 SKFCR400954 SKFCR47586 SKFCR58X80X8HMSA10RG SKFCR60X72X8HMSA10RG SKFN1010KTN/HC5SP SKFSAF22622 SKFW6006 SKFWS81130

CR404553V型圈密封近似的SKF轴承型号

SKFCR404553 SKFCR404506 SKFCR404603

用户关注最多的轴承狗热门型号

TIMKEN  240RF30 SKF  22336CCJA/W33VA406 SKF  7202AC SKF  239/630CAK/W33* NTN  NF352 国产  NJ319E TIMKEN  EE275108/275156CD LYC  QJ 18/630/P6 LYC  LY-6017 NSK  7314BWG SKF  HMVC80E SKF  CR240X280X16HDS2R NTN  6032-RS IKO  LBE20OP IKO  IRT6025

版权所有©2009-2015 轴承狗zcgou.com ICP备案:津ICP备14004550号-13