SKFCR404004轴承详细参数

发布时间:2026-04-26
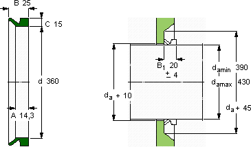
V形环密封件, VR1 设计
V形环密封件
da d A B C
最小 最大
mm mm - - - -
39043036014,32515VR1VCR 404004404004

SKFCR404004V型圈密封供应商

八零动力专业销售CR404004V型圈密封,库存SKFCR404004大量现货,与SKF合作,咨询热线:022-58519723业务咨询
SKFCR404004质量无可挑剔的轴承,为设备的高效运作提供了有力支持其设计和制造工艺都达到了国际先进水平,是一款优质轴承它的表面硬化处理,延长了它的使用寿命 坚固耐用它在矿山设备中的应用,确保了设备的高负载能力 它的高效率,减少了能源消耗 ,八零动力SKFV型圈密封品种全,价格优,质量有保证!

用户关注最多的SKF轴承型号

SKF5202A-2RS1TN9 SKF6200-ZN SKF71913CE/HCP4A SKFCR19763 SKFCR56x72x9HMS1R SKFCR90155 SKFHMV46E SKFIR35x43x22 SKFN092 SKFNCF3088CV SKFNUKRE47A SKFNUP305ECP* SKFPCM606520E SKFSNL3144 SKFSY1.15/16PF/AH

CR404004V型圈密封近似的SKF轴承型号

SKFCR404004 SKFCR404003 SKFCR404006

用户关注最多的轴承狗热门型号

SKF  PFD13/16WF TIMKEN  G1109KRRB SKF  PCMS1005001.5E MRC  6201-2Z SKF  PF5/8RM TIMKEN  165BIC660 INA  PHE40 FAG  SNV140-L + 2313-K-TVH-C3 + H2313X206 + DHV613 SKF  WS81268 LYC  3-754K SKF  SY1.3/16TF/VA228 FLT  NU224 MAC  NU2315 ZKL  NU306 IKO  LWHT30...SL

版权所有©2009-2015 轴承狗zcgou.com ICP备案:津ICP备14004550号-13