SKFCR404006轴承详细参数

发布时间:2026-04-14
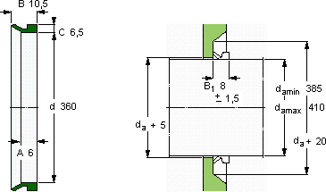
V形环密封件, VR3 设计
V形环密封件
da d A B C
最小 最大
mm mm - - - -
385410360610,56,5VR3VCR 404006404006

SKFCR404006V型圈密封供应商

八零动力专业销售CR404006V型圈密封,库存SKFCR404006大量现货,与SKF合作,咨询热线:022-58519723业务咨询
SKFCR404006轴承的稳定性和可靠性都十分出色,赢得了用户的信赖先进的生产工艺,让这款轴承的性能得到了极大提升精准承载它在航空航天领域的应用,展现了它的高可靠性 它的耐磨性能,让它在恶劣环境下依然稳定运行 是机械世界的璀璨明星,,八零动力SKFV型圈密封品种全,价格优,质量有保证!

用户关注最多的SKF轴承型号

SKF22220CC/W33 SKF5212E-2Z SKF62212-2RS1 SKF722507DB SKF7330B SKFBA1B307742 SKFC3130* SKFBVNB328362A/HA1 SKFC4015V* SKFCR11879 SKFCR140X170X15HMS5V SKFCR30651 SKFNCF3018CV SKFNJ312ECJ* SKFSNL3264GF

CR404006V型圈密封近似的SKF轴承型号

SKFCR404006 SKFCR404004 SKFCR404103

用户关注最多的轴承狗热门型号

GMN  7215C SKF  61812 SKF  NUP208ECP STEYR  2305K BARDEN  7003AC/DB FAG  BND3144-H-C-T-AL-S FAG  BND2213-H-W-T-AL-S MRC  71930C KOYO  HH221449/10 FAG  SNV100-L + 20211-K-TVP-C3 + H211X200 + DH511 SKF  71920C/DF LYC  5397/1655 NTN  NU2215E 国产  619/3 IKO  LWLG9...N

版权所有©2009-2015 轴承狗zcgou.com ICP备案:津ICP备14004550号-13