SKFCR404003轴承详细参数

发布时间:2026-05-30
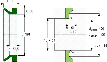
V形环密封件, VR4 设计
V形环密封件
da d A B C
最小 最大
mm mm - - - -
40040539132,56530VR4RCR 404003404003

SKFCR404003V型圈密封供应商

八零动力专业销售CR404003V型圈密封,库存SKFCR404003大量现货,与SKF合作,咨询热线:022-58519723业务咨询
SKFCR404003它的高可靠性,减少了设备停机时间 它的品质卓越,为机械设备的高效、稳定运行保驾护航是您机械世界里的不败功臣,先进的制造技术,让这款轴承的质量达到了行业领先水平始终顺滑如初,其设计和制造都达到了极高的水准,是一款不可多得的轴承,八零动力SKFV型圈密封品种全,价格优,质量有保证!

用户关注最多的SKF轴承型号

SKF15101/15245 SKF51320 SKF53206 SKF61910-2RS1 SKF71917C/DF SKF7308BECBPH* SKFBT2B332448 SKFC2314K+AHX2314G* SKFCR16078 SKFCR160X185X15HMSA10RG SKFCR3050560 SKFCR401906 SKFCR58741 SKFHK1614RS SKFNNCL4916CV

CR404003V型圈密封近似的SKF轴承型号

SKFCR404003 SKFCR404002 SKFCR404004

用户关注最多的轴承狗热门型号

NSK  7219CDB 国产  RAN6905 SKF  BT2B332604/HA1 KOYO  22224RHR SKF  NU1096MA SKF  GEH100ES-2RS SKF  3204A-2ZTN9/MT33* LYC  22217 CK/C3W33 NSK  7215BWDF LYC  RN 204 M SKF  23252CCK/W33+AOH2352G* 国产  K25*32*24 INA  G9X16X3 LYC  6306 E-2RS/Z1LHT SKF  CR32710

版权所有©2009-2015 轴承狗zcgou.com ICP备案:津ICP备14004550号-13