SKFCR402204轴承详细参数

发布时间:2026-05-30
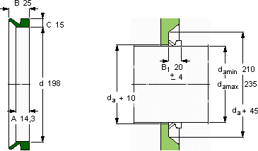
V形环密封件, VR1 设计
V形环密封件
da d A B C
最小 最大
mm mm - - - -
21023519814,32515VR1VCR 402204402204

SKFCR402204V型圈密封供应商

八零动力专业销售CR402204V型圈密封,库存SKFCR402204大量现货,与SKF合作,咨询热线:022-58519723业务咨询
SKFCR402204制造工艺精湛,使得这款轴承的精度和稳定性都非常出色品质卓越的它,为机械设备的稳定、高效运行提供了支持轴承的稳定性和可靠性表现卓越,赢得了广泛赞誉就是选择高效与可靠这款轴承的稳定性极佳,在长时间运行中也能保持良好状态它的每一次转动,都是对效率的极致追求 ,八零动力SKFV型圈密封品种全,价格优,质量有保证!

用户关注最多的SKF轴承型号

SKF1308EKTN9+H308 SKF32220T108J2/DB SKF51084F SKF71900AC SKF71905CD/P4A SKFBT4B334020G/HA4 SKFC2320K* SKFCR20586 SKFCR240x280x16HDS2D SKFCR54960 SKFK80x88x40ZW SKFNKX50Z SKFS7008DB/P7 SKFSNL4080GF SKFYAR211-2F

CR402204V型圈密封近似的SKF轴承型号

SKFCR402204 SKFCR402202 SKFCR402206

用户关注最多的轴承狗热门型号

SKF  SNP3092x17 SKF  7024AC/DB TIMKEN  898/892 NSK  7220BWDF MRC  7020AC/DF SKF  SNW3124x4.1/4 FAG  BND3228-H-C-T-AF-S SKF  CR10X25X7HMS5RG SKF  CR58X80X12HMS5RG FAG  F520-B-L + 22220-E1-K SKF  FYRP4.15/16H 国产  6312-2Z/Z3 SKF  CR130x170x12CRW1R IKO  RNA4901U IKO  CRWUG80-205

版权所有©2009-2015 轴承狗zcgou.com ICP备案:津ICP备14004550号-13