SKFCR402206轴承详细参数

发布时间:2026-05-30
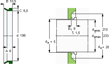
V形环密封件, VR3 设计
V形环密封件
da d A B C
最小 最大
mm mm - - - -
210233198610,56,5VR3VCR 402206402206

SKFCR402206V型圈密封供应商

八零动力专业销售CR402206V型圈密封,库存SKFCR402206大量现货,与SKF合作,咨询热线:022-58519723业务咨询
SKFCR402206是您值得信赖的工业伙伴,为您的机械保驾护航高品质的轴承,在复杂工况下也能展现出卓越的性能它的长寿命,减少了更换频率 它的旋转精度,让高速运转成为现实 它的制造工艺,堪称工业艺术的典范 质量无可挑剔的轴承,在行业内树立了良好的口碑和形象,八零动力SKFV型圈密封品种全,价格优,质量有保证!

用户关注最多的SKF轴承型号

SKF353006 SKF4216ATN9 SKF53408U SKF7306BECBM SKFBTM120A/HCP4CDBA SKFCR148X170X15HMS5RG SKFCR35X48X8HMS5V SKFCR40x55x8CRW1R SKFGEZ400ES-2RS SKFNA6901 SKFNJ310E SKFNNC4956CV SKFNU248MA SKFNUTR1542A SKFS7020DB/P7

CR402206V型圈密封近似的SKF轴承型号

SKFCR402206 SKFCR402204 SKFCR402500

用户关注最多的轴承狗热门型号

FAG  ZRB6,5X9-QP NSK  150BNR10S STEYR  2318K+H2318 国产  23252CA/W33 TIMKEN  220RN02 MRC  7321B/DT FAG  BND3156-H-W-Y-AF-S LYC  NJ 215 SKF  7038C/DB KOYO  60/28-2RS TIMKEN  210RT92 SKF  CR630x670x20HDS1R KOYO  NU313 SKF  N1010KPHA/SP SKF  NN3012KTN/SP

版权所有©2009-2015 轴承狗zcgou.com ICP备案:津ICP备14004550号-13