SKFCR401800轴承详细参数

发布时间:2026-04-14
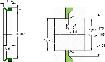
V形环密封件, VR1 设计
V形环密封件
da d A B C
最小 最大
mm mm - - - -
175185162914,58VR1RCR 401800401800

SKFCR401800V型圈密封供应商

八零动力专业销售CR401800V型圈密封,库存SKFCR401800大量现货,与SKF合作,咨询热线:022-58519723业务咨询
SKFCR401800轴承的耐用性强,减少了设备的停机维护时间性能卓越的它,为机械设备的稳定运行提供了可靠保障它的制造工艺,堪称工业艺术的典范 它的低噪音设计,减少了对环境的噪音污染 减少摩擦降低能耗它的每一次转动,都是对效率的极致追求 ,八零动力SKFV型圈密封品种全,价格优,质量有保证!

用户关注最多的SKF轴承型号

SKF2201ETN9 SKF23228CCK/W33+AHX3228G* SKF4220ATN9 SKF53228U SKF6004* SKF6032-2Z SKF618/560MA SKF7014DB/P7 SKFCR11050 SKFCR13157 SKFCR1900254 SKFCR50X75X10HMS5RG SKFNJ39/500ECMA SKFNU1014ML SKFNU312ECM*

CR401800V型圈密封近似的SKF轴承型号

SKFCR401800 SKFCR401706 SKFCR401801

用户关注最多的轴承狗热门型号

NACHI  3915 KOYO  NJ309+HJ309 SKF  609-2RZ GMN  71930C/DT KOYO  22240CCK/W33 NTN  NJ311 NSK  20BGR10H 国产  6021-2Z/Z2 GMN  7214AC/DF TIMKEN  EE113089/113171D+X1S-113089 SKF  CR28X52X10HMSA10V KOYO  NJ2320E LYC  010.60.2240.12K 国产  32038 IKO  CFE24-1UUR

版权所有©2009-2015 轴承狗zcgou.com ICP备案:津ICP备14004550号-13