SKFCR401801轴承详细参数

发布时间:2026-04-14
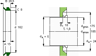
V形环密封件, VR2 设计
V形环密封件
da d A B C
最小 最大
mm mm - - - -
1751851621520,58VR2RCR 401801401801

SKFCR401801V型圈密封供应商

八零动力专业销售CR401801V型圈密封,库存SKFCR401801大量现货,与SKF合作,咨询热线:022-58519723业务咨询
SKFCR401801这轴承的制造工艺精湛,展现出了极高的工业水准它的径向跳动控制,达到了行业顶尖水平 我们的轴承卓越的性能卓越的设计理念,赋予了这款轴承超凡的性能这款轴承的性能卓越,有效提高了设备的运行可靠性设计合理、性能优良的轴承,是机械设备的理想之选,八零动力SKFV型圈密封品种全,价格优,质量有保证!

用户关注最多的SKF轴承型号

SKF234714B SKF61800-RZ SKF619/560MA SKF71907ACE/HCP4A SKF7322BEP SKF7338B/DT SKFBT4B330650E/C500* SKFCR38X55X8HMSA10V SKFCR4982 SKFFYTL25TR/VE495 SKFHA3036 SKFK55x60x27 SKFNN3010KTN/SP SKFSAF22526x4.3/8 SKFUELFU208

CR401801V型圈密封近似的SKF轴承型号

SKFCR401801 SKFCR401800 SKFCR401802

用户关注最多的轴承狗热门型号

KOYO  7302AC FAG  BND3132-Z-Y-BL-S SKF  CR48x62x8CRW1R KOYO  23052RHA INA  RMWE9A-RB/99x../54 NSK  NN3021T SKF  CR60X80X10HMSA10RG NTN  K12×15×13 NACHI  54322 SKF  SY1.1/4TF/VA201 KOYO  6410 SKF  5208A-2Z* NTN  24040B SKF  NKIA5904 TORRINGTON  23156CAC/W33

版权所有©2009-2015 轴承狗zcgou.com ICP备案:津ICP备14004550号-13