SKFCR401706轴承详细参数

发布时间:2026-05-29
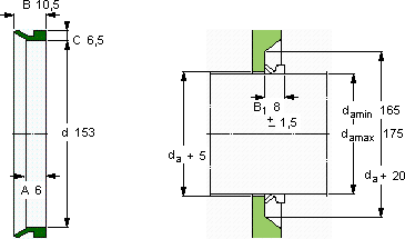
V形环密封件, VR3 设计
V形环密封件
da d A B C
最小 最大
mm mm - - - -
165175153610,56,5VR3VCR 401706401706

SKFCR401706V型圈密封供应商

八零动力专业销售CR401706V型圈密封,库存SKFCR401706大量现货,与SKF合作,咨询热线:022-58519723业务咨询
SKFCR401706它的精密性,让它在高精度设备中无可替代 这轴承的设计精妙,充分考虑了各种实际应用需求转动精彩给您意想不到的顺畅体验,它的抗变形能力,让它在高负载下依然保持形状 高精度的轴承,为设备的稳定运行提供了坚实保障,八零动力SKFV型圈密封品种全,价格优,质量有保证!

用户关注最多的SKF轴承型号

SKF2212E-2RS1KTN9 SKF32017X/QDF SKF6012-2RS SKF6203-2ZN SKF6309-Z* SKF7204CD/P4A SKFBTM70A/P4CDBB SKFCR130X160X12HMSA10V SKFCR15660 SKFCR42X55X7HMSA10RG SKFFYT1.1/2TF/VA201 SKFNN3028/SPW33 SKFNNU49/500/W33 SKFNUKRE72A SKFOKBS75

CR401706V型圈密封近似的SKF轴承型号

SKFCR401706 SKFCR401705 SKFCR401800

用户关注最多的轴承狗热门型号

FAG  LOE240-N-BF-L FAG  23260-K-MB + H3260 INA  PNA20/42 NTN  23228B SKF  CR15138 NACHI  NJ2328 NSK  696ZZ1 NACHI  239/750EW33K SKF  23160CCK/W33+OH3160H* SKF  AOH2348 FAG  3311-B-2Z-TVH NTN  7022AC/DT TIMKEN  70FSH120-TT FYH  UCK204 IKO  CFE10-1VBR

版权所有©2009-2015 轴承狗zcgou.com ICP备案:津ICP备14004550号-13