SKFCR400254轴承详细参数

发布时间:2026-04-15
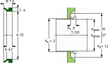
V形环密封件, VR1 设计
V形环密封件
da d A B C
最小 最大
mm mm - - - -
2427224,77,54VR1VCR 400254400254

SKFCR400254V型圈密封供应商

八零动力专业销售CR400254V型圈密封,库存SKFCR400254大量现货,与SKF合作,咨询热线:022-58519723业务咨询
SKFCR400254它的尺寸精度,达到了微米级的极致 它的抗剪切性能,确保了它的结构稳定性 轴承的稳定性和可靠性表现卓越,赢得了广泛赞誉这款轴承的稳定性极佳,在长时间运行中也能保持良好状态给您意想不到的顺畅体验,精湛的工艺打造出的轴承,精度和稳定性都令人称赞,八零动力SKFV型圈密封品种全,价格优,质量有保证!

用户关注最多的SKF轴承型号

SKF3208A-2Z/MT33* SKF7010ACE/HCP4A SKF7012CD/HCP4A SKF7028C SKF81108 SKFBT4B334106BG/HA1VA901 SKFCR110X140X12HMSA10RG SKFCR17678 SKFE2.6300-2Z/C3 SKFN207ECP* SKFNCF2924CV SKFNU2212ECJ* SKFNU312ECJ* SKFSR1.FM SKFYET210

CR400254V型圈密封近似的SKF轴承型号

SKFCR400254 SKFCR400251 SKFCR400255

用户关注最多的轴承狗热门型号

国产  N315ADMA INA  SL024956 FAG  B7006-E-2RSD-T-P4S INA  ERVS35 LYC  30234 NSK  NN3010T LYC  NA759/752D GMN  7036AC NACHI  5204-2NS TORRINGTON FAFNIR  629-2RS LYC  22224 C/C5 LYC  22226 CK/C3W33 TIMKEN  K24X30X22 LYC  7026 C/P5 LYC  23080/C3W33

版权所有©2009-2015 轴承狗zcgou.com ICP备案:津ICP备14004550号-13