SKFCR400251轴承详细参数

发布时间:2026-05-30
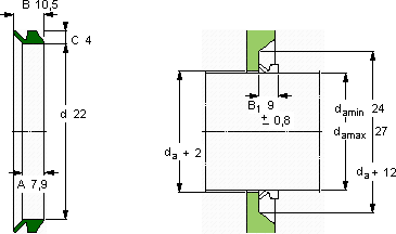
V形环密封件, VR2 设计
V形环密封件
da d A B C
最小 最大
mm mm - - - -
2427227,910,54VR2RCR 400251400251

SKFCR400251V型圈密封供应商

八零动力专业销售CR400251V型圈密封,库存SKFCR400251大量现货,与SKF合作,咨询热线:022-58519723业务咨询
SKFCR400251它在矿山设备中的应用,确保了设备的高负载能力 它的长寿命,减少了资源浪费 性能卓越的它,为机械设备的稳定运行提供了可靠保障这款轴承的运转十分平稳,几乎感受不到任何震动它的润滑技术,减少了摩擦和磨损 这款轴承的性能卓越,有效提升了设备的整体性能和可靠性,八零动力SKFV型圈密封品种全,价格优,质量有保证!

用户关注最多的SKF轴承型号

SKF23088CA/W33* SKF30208J2/Q SKF30217J2/QDF SKF618/1120MA SKFAHX319 SKFAOH2260G SKFCR12355 SKFCR55x80x12CRSA1V SKFCR90179 SKFFBSA212A/QBC SKFGS81217 SKFNCF3010CV SKFNU218ECJ* SKFSAW23520x3.1/2 SKFYAT209

CR400251V型圈密封近似的SKF轴承型号

SKFCR400251 SKFCR400250 SKFCR400254

用户关注最多的轴承狗热门型号

SKF  7200AC SKF  6000/HR11QN STEYR  7238B/DB SKF  NU18/1320MAS/343016 NSK  699DD DKF  7032AC/DT MRC  6306-2RS LYC  7311 ACM FAG  LOE628-N-BL-L GMN  7206C FAG  B7004-E-T-P4S NTN  2313K SKF  NJ2322E MAC  NU215 SKF  CR20X42X10HMS5RG

版权所有©2009-2015 轴承狗zcgou.com ICP备案:津ICP备14004550号-13