SKFCR400255轴承详细参数

发布时间:2026-04-15
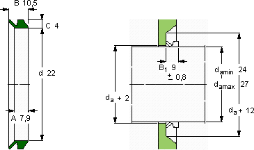
V形环密封件, VR2 设计
V形环密封件
da d A B C
最小 最大
mm mm - - - -
2427227,910,54VR2VCR 400255400255

SKFCR400255V型圈密封供应商

八零动力专业销售CR400255V型圈密封,库存SKFCR400255大量现货,与SKF合作,咨询热线:022-58519723业务咨询
SKFCR400255质量上乘的轴承,为设备的高效稳定运行奠定了基础它的可靠性,赢得了无数工程师的信任 它的疲劳强度,确保了长期使用的可靠性 有效增强了机械设备的竞争力它的抗冲击能力,让它经久不衰 优秀的设计和卓越的性能,让这款轴承备受青睐,八零动力SKFV型圈密封品种全,价格优,质量有保证!

用户关注最多的SKF轴承型号

SKF1211ETN9 SKF319434DA-2LS SKF4311ATN9 SKF5310E-2RS1 SKF6207-2Z/VA201 SKF6306-2RS SKFBDAB351909 SKFCR12350 SKFCR22X40X10HMS5RG SKFCR50138 SKFCR73X100X13CRSH11R SKFMB14A SKFQJ213N2MA* SKFS7026ACD/P4A SKFSYR3N

CR400255V型圈密封近似的SKF轴承型号

SKFCR400255 SKFCR400254 SKFCR400280

用户关注最多的轴承狗热门型号

SNR  6005-2RS STEYR  32014 TIMKEN  G1113KRR SKF  NU2314ECP SKF  C30/950KMB+OH30/950HE* TIMKEN  EE107060/107105CD SKF  GE260ES-2RS 国产  1316K INA  LFS32-OV-500/180-VBS NSK  7207ATYNSULP4 FAG  1203-TVH TIMKEN  70TP132 SNR  32210 SKF  W61902 IKO  MLFC10

版权所有©2009-2015 轴承狗zcgou.com ICP备案:津ICP备14004550号-13