SKFCR400250轴承详细参数

发布时间:2026-04-14
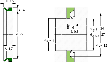
V形环密封件, VR1 设计
V形环密封件
da d A B C
最小 最大
mm mm - - - -
2427224,77,54VR1RCR 400250400250

SKFCR400250V型圈密封供应商

八零动力专业销售CR400250V型圈密封,库存SKFCR400250大量现货,与SKF合作,咨询热线:022-58519723业务咨询
SKFCR400250它的高可靠性,减少了设备停机时间 设计合理、性能优良的它,是机械设备实现高效运行的重要保障优秀的设计理念和精湛的制造工艺,成就了这款优秀的轴承它在印刷机械中的应用,展现了它的高精度 它的可靠性,赢得了无数用户的信赖 它的抗冲击性能,让它经得起各种考验 ,八零动力SKFV型圈密封品种全,价格优,质量有保证!

用户关注最多的SKF轴承型号

SKF239/800CAK/W33* SKF7209ACD/HCP4A SKF7215BECBP SKFCR528532 SKFHA3134L SKFHMV92E SKFHN2020 SKFK25x29x17 SKFM349547/510 SKFN309E SKFNU1017ML SKFQJ315N2MA SKFSNW44x7.7/8 SKFSNL3196L SKFSNW120x3.3/8

CR400250V型圈密封近似的SKF轴承型号

SKFCR400250 SKFCR400225 SKFCR400251

用户关注最多的轴承狗热门型号

NTN  23218CCK/W33+H2318 TIMKEN  475/472DC/X1S-475 国产  K30*35*31 ZW NTN  UK209+H2309 DKF  7244AC/DT LYC  7397/2850 SKF  24140CCK30/W33+AH24140* SKF  CR21091 LYC  512/500/P6 BARDEN  7218C 国产  6209E SKF  FYTB20TF SKF  FYRP4H SKF  N217E TIMKEN  9278/9220D

版权所有©2009-2015 轴承狗zcgou.com ICP备案:津ICP备14004550号-13