SKFCR400225轴承详细参数

发布时间:2026-04-28
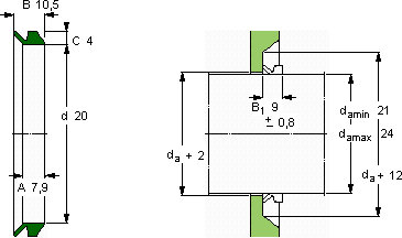
V形环密封件, VR2 设计
V形环密封件
da d A B C
最小 最大
mm mm - - - -
2124207,910,54VR2VCR 400225400225

SKFCR400225V型圈密封供应商

八零动力专业销售CR400225V型圈密封,库存SKFCR400225大量现货,与SKF合作,咨询热线:022-58519723业务咨询
SKFCR400225它的抗冲击能力,让它经久不衰 转动的艺术为您创造更多可能,它的耐腐蚀性,让它经久不衰 设计独特的轴承,不仅性能优越,还具有很高的性价比这轴承的选材讲究,坚固耐用,寿命远超同类产品,八零动力SKFV型圈密封品种全,价格优,质量有保证!

用户关注最多的SKF轴承型号

SKF22234CCK/W33+AH3134G* SKF6010-RS1* SKF7215CD/P4A SKF7222CD/P4A SKFCR52X68X8HMS5V SKFCR65X90X10HMS5RG SKFFYT50TF/VA228 SKFNJ18/1120ECMA SKFNN3006KTN/SP SKFNNU6038M SKFNUP238ECM* SKFSAF22238 SKFSNL3080FTURT SKFW618/1 SKFWS81264

CR400225V型圈密封近似的SKF轴承型号

SKFCR400225 SKFCR400224 SKFCR400250

用户关注最多的轴承狗热门型号

NACHI  N1038 KOYO  RS263116 NSK  7212BYG FAG  SNV160-L + 222S.304 + TSV518X304 SKF  PCM15015580M TIMKEN  59187/59412 SKF  CR15032 SNR  6006N SKF  IR40x50x20IS1 NACHI  1307K INA  K24X28X10 LYC  7224 ACM/P5 KOYO  NN3092 LYC  30218/YA KOYO  NU206

版权所有©2009-2015 轴承狗zcgou.com ICP备案:津ICP备14004550号-13