SKFCR400164轴承详细参数

发布时间:2026-05-29
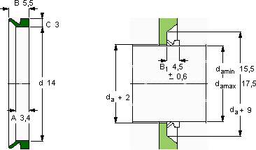
V形环密封件, VR1 设计
V形环密封件
da d A B C
最小 最大
mm mm - - - -
15,517,5143,45,53VR1VCR 400164400164

SKFCR400164V型圈密封供应商

八零动力专业销售CR400164V型圈密封,库存SKFCR400164大量现货,与SKF合作,咨询热线:022-58519723业务咨询
SKFCR400164每一次旋转,都是品质的见证,它的抗磨损涂层,让它更加耐用 优秀的设计让这款轴承在运行时更加高效节能以精湛工艺它的热处理工艺,增强了它的硬度和韧性 该轴承的性能出色,有效提升了机械设备的整体性能,八零动力SKFV型圈密封品种全,价格优,质量有保证!

用户关注最多的SKF轴承型号

SKF22318EK* SKF6028-2RS SKF81111 SKFBT2B332871/HA4 SKFBVNB328441/HA1 SKFC2222* SKFC3034K* SKFCR1475240 SKFCR411004 SKFH313C SKFIR90x105x35 SKFNNUD6056MAS SKFNUP2206E SKFS71916FB/P7 SKFT2DC220/VE141

CR400164V型圈密封近似的SKF轴承型号

SKFCR400164 SKFCR400161 SKFCR400165

用户关注最多的轴承狗热门型号

SKF  23260CACK/W33 KOYO  6200ZZ FAG  SNV110-L + 2212-TVH + DHV212 ZKL  7312B/DB NTN  21311K+AHX311 LYC  NN 3056 K/P6 LYC  7222E. TIMKEN  GYE20KRRB LYC  24156/C3W33YA NSK  6008VVNR NTN  32060 FAG  SNV120-L + 22311-E1-K + H2311X200 + FSV611 SKF  634-RS1 NTN  K80×86×20 IKO  RNA4930

版权所有©2009-2015 轴承狗zcgou.com ICP备案:津ICP备14004550号-13