SKFCR400165轴承详细参数

发布时间:2026-05-30
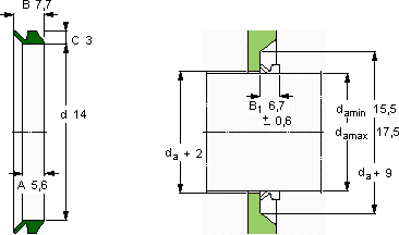
V形环密封件, VR2 设计
V形环密封件
da d A B C
最小 最大
mm mm - - - -
15,517,5145,67,73VR2VCR 400165400165

SKFCR400165V型圈密封供应商

八零动力专业销售CR400165V型圈密封,库存SKFCR400165大量现货,与SKF合作,咨询热线:022-58519723业务咨询
SKFCR400165它在风力发电中的应用,为清洁能源贡献力量 它在纺织机械中的应用,确保了设备的高速运转 它的表面硬化处理,延长了它的使用寿命 它的轻量化设计,减少了运输成本 它在电子设备中的应用,展现了它的高精密性 卓越的设计和可靠的性能,是这款轴承的两大亮点,八零动力SKFV型圈密封品种全,价格优,质量有保证!

用户关注最多的SKF轴承型号

SKF16002-2Z SKF32304 SKF6224-RS SKF7200AC/DB SKF7204BEGBP* SKFBC4B322264/HB1 SKFC3148K/HA3C4* SKFCR1013470 SKFCR12x35x7CRW1R SKFGE260ES-2LS SKFN028 SKFN2305 SKFNN3006TN/SP SKFSYE2.3/4N-118 SKFWEEMB3

CR400165V型圈密封近似的SKF轴承型号

SKFCR400165 SKFCR400164 SKFCR400180

用户关注最多的轴承狗热门型号

FAG  BND3024-H-C-T-AF-S INA  AB.W40 NSK  NJ430 SKF  NUTR45A TIMKEN  A6067 /A6157-B KOYO  2208 KOYO  7300AC BARDEN  7214C/DT RHP  6205-2Z TIMKEN  241/1000YMB NTN  22212CCK/W33 KOYO  2322K SKF  2210E-2RS1KTN9 LYC  3806/266.7 -2LS/P5 IKO  LWESC25

版权所有©2009-2015 轴承狗zcgou.com ICP备案:津ICP备14004550号-13