SKFCR400161轴承详细参数

发布时间:2026-05-30
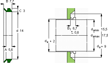
V形环密封件, VR2 设计
V形环密封件
da d A B C
最小 最大
mm mm - - - -
15,517,5145,67,73VR2RCR 400161400161

SKFCR400161V型圈密封供应商

八零动力专业销售CR400161V型圈密封,库存SKFCR400161大量现货,与SKF合作,咨询热线:022-58519723业务咨询
SKFCR400161为您的设备保驾护航,让机械运转无忧它的品质卓越,为机械设备的高效、稳定运行保驾护航高品质的轴承,在各种复杂工况下都能展现出卓越的性能表现成就非凡转动体验让您的设备一顺到底,是您机械世界里的不败功臣,它的静音设计,让机械运转如丝般顺滑 ,八零动力SKFV型圈密封品种全,价格优,质量有保证!

用户关注最多的SKF轴承型号

SKF23060CCK/W33* SKF24038CC/W33 SKF625-2RZTN9/HC5C3WTF1 SKF7010CE/HCP4A SKF7322BEY SKF81156M SKFCR22X35X5HM14R SKFCR42X72X8HMS5RG SKFKMK20 SKFNNU4934K/W33 SKFNU2306E SKFNU352ECMA SKFRN-2x13.8BF/G2 SKFSAF23038KAx7 SKFSYH2.3/16TF/AH

CR400161V型圈密封近似的SKF轴承型号

SKFCR400161 SKFCR400160 SKFCR400164

用户关注最多的轴承狗热门型号

NSK  NN4921MBKR ZKL  NU2207 KOYO  23272R INA  GE260-AW NTN  22230BK+H3130 MRC  7211B/DB STEYR  6317 TIMKEN  387AS/382 TORRINGTON  23292CACK/W33 国产  51426 SKF  7010CD/HCP4A NTN  23264BK+AH3264 NACHI  SN205C INA  LR5007-2RS SKF  CR36X47X7HMSA10RG

版权所有©2009-2015 轴承狗zcgou.com ICP备案:津ICP备14004550号-13