SKFCR400145轴承详细参数

发布时间:2026-04-15
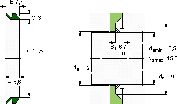
V形环密封件, VR2 设计
V形环密封件
da d A B C
最小 最大
mm mm - - - -
13,515,512,55,67,73VR2VCR 400145400145

SKFCR400145V型圈密封供应商

八零动力专业销售CR400145V型圈密封,库存SKFCR400145大量现货,与SKF合作,咨询热线:022-58519723业务咨询
SKFCR400145它在医疗设备中的应用,确保了设备的稳定性 优秀的设计让这款轴承在运行时更加高效节能质量无可比拟的轴承,在行业内树立了良好的品质标杆这轴承的设计精妙,充分考虑了各种实际应用需求设计合理、性能优良的轴承,是机械设备的理想之选它的稳定性,让它在各种环境下都能可靠工作 ,八零动力SKFV型圈密封品种全,价格优,质量有保证!

用户关注最多的SKF轴承型号

SKF23168CCK/W33* SKF7205AC/DF SKF7214C/DB SKF7222CD/P4A SKFCR9982 SKFFYR3H SKFHK1216.2RS SKFNU2220ECJ* SKFNU3196ECMA/HB1 SKFNUP228ECM SKFPCM606570M SKFS71922CD/HCP4A SKFSDAF22220 SKFSNW126x4.1/2 SKFYAR207-104-2RF

CR400145V型圈密封近似的SKF轴承型号

SKFCR400145 SKFCR400144 SKFCR400160

用户关注最多的轴承狗热门型号

SKF  CR25X52X10HMSA10V INA  GE30-AX NSK  NN3015K SKF  NU1006 NACHI  231/670EW33K SKF  C2216KV+H316* FAG  SNV120-L + 22311-E1-K + H2311 + DH611 NSK  7918A5DF SKF  CR410003 NTN  N2256 SKF  CR22X35X5HM14R MRC  6016N SKF  315913 国产  6238 IKO  IRT5050

版权所有©2009-2015 轴承狗zcgou.com ICP备案:津ICP备14004550号-13