SKFCR400160轴承详细参数

发布时间:2026-04-15
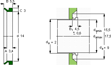
V形环密封件, VR1 设计
V形环密封件
da d A B C
最小 最大
mm mm - - - -
15,517,5143,45,53VR1RCR 400160400160

SKFCR400160V型圈密封供应商

八零动力专业销售CR400160V型圈密封,库存SKFCR400160大量现货,与SKF合作,咨询热线:022-58519723业务咨询
SKFCR400160不得不说,这款轴承的品质过硬,在行业内堪称典范,它的每一次转动,都是对精准度的极致追求 它的耐用性,赢得了无数用户的信赖 它的质量卓越,为机械设备的安全运行保驾护航设计合理、性能优良的轴承,是机械设备的理想之选先进的生产工艺,让这款轴承的性能得到了极大提升,八零动力SKFV型圈密封品种全,价格优,质量有保证!

用户关注最多的SKF轴承型号

SKF22311CCK/W33 SKF22324CCK/W33* SKF3307A-2ZTN9/MT33* SKF53311 SKF608/1000MB SKF61828-2RS SKFCR17315 SKFCR520x560x20HDS1V SKFCR99787 SKFGEP900FS SKFHM231148/110 SKFKMFE14 SKFNN3014TN/SP SKFNN3036/SPW33 SKFS71924ACD/HCP4A

CR400160V型圈密封近似的SKF轴承型号

SKFCR400160 SKFCR400145 SKFCR400161

用户关注最多的轴承狗热门型号

TORRINGTON  22230CC/W33 STEYR  NUP2204 SKF  22314CCK/W33 LYC  6004 E-2Z/Z1 NTN  7303B/DF 国产  HK/50*60*38YA MAC  NU1048 NTN  61907-2Z SKF  CR12X19X5HMS5RG SKF  NNCF5028CV LYC  6008 E/P63Z1 LYC  22234/C3 SKF  C4022-2CS5V* NTN  7021AC/DF BARDEN  7044AC/DB

版权所有©2009-2015 轴承狗zcgou.com ICP备案:津ICP备14004550号-13