SKF7024BGM轴承详细参数

发布时间:2026-05-30
角接触球轴承, 单列
主要数据尺寸 尺寸 [英寸] 疲劳负荷限值 额定速度 体积 型号
动态 静态 参照速度 限制速度
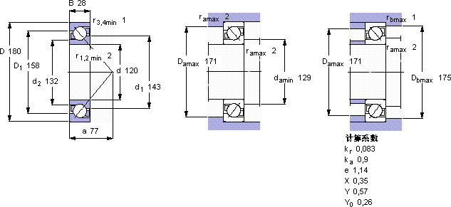
d D B C C0 Pu
mm kN kN r/min kg -
1201802887,1933,2380040002,407024 BGM

SKF7024BGM角接触球轴承供应商

八零动力专业销售7024BGM角接触球轴承,库存SKF7024BGM大量现货,与SKF合作,咨询热线:022-58519723业务咨询
SKF7024BGM这轴承的设计简直精妙绝伦,每一处细节都彰显着极致的工艺美学它的品质卓越,是提升机械设备整体性能的关键所在为您的机械注入强大动力,它的抗冲击性能,让它经得起各种考验 品质卓越的它,为机械设备的稳定、高效运行提供了支持设计合理、性能优良的轴承,是机械设备的理想之选,八零动力SKF角接触球轴承品种全,价格优,质量有保证!

用户关注最多的SKF轴承型号

SKF21308EK+H308* SKF231/1000CAKF/W33 SKF30213J2/QDF SKF315175A SKF51107V/HR22T2 SKF51328M SKF6201-2RZ SKFBS2-2308-2CSK/VT143* SKFCR20X36X7HMS5V SKFCR45X85X10HMS5V SKFCR65x110x10CRW1R SKFCR85002 SKFHM3068 SKFL432348/310 SKFSYE2.15/16NH-118

7024BGM角接触球轴承近似的SKF轴承型号

SKF7024AC/DB SKF7024AC/DT SKF7024C SKF2x7024BGM SKF7024C/DT SKF7024C/DF SKF7024BGM SKF7024AC/DF SKF7024C/DB SKF7024AC SKF7024FB/P7 SKF7024DB/P7

用户关注最多的轴承狗热门型号

国产  6306/Z2 FAG  HC71913-E-T-P4S FAG  BND2232-H-C-Y-BL-S FYH  UELFU204 KOYO  7219B/DF 国产  QJF326M SKF  SY3/4FM SKF  C31/750MB* LYC  67885/67820 SKF  23992CA/W33 STEYR  6202-2Z SKF  7305BEP SKF  CR35X52X8HMS5V TIMKEN  600RN30 STEYR  6301-2RS

版权所有©2009-2015 轴承狗zcgou.com ICP备案:津ICP备14004550号-13