SKFCR400144轴承详细参数

发布时间:2026-04-15
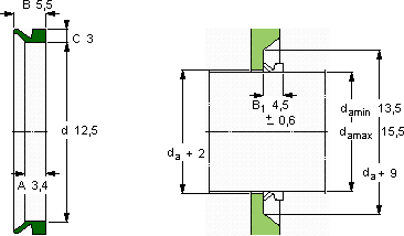
V形环密封件, VR1 设计
V形环密封件
da d A B C
最小 最大
mm mm - - - -
13,515,512,53,45,53VR1VCR 400144400144

SKFCR400144V型圈密封供应商

八零动力专业销售CR400144V型圈密封,库存SKFCR400144大量现货,与SKF合作,咨询热线:022-58519723业务咨询
SKFCR400144精准运转这轴承的质量过硬,经得起时间和高强度工作的考验承载重托品质卓越的它,在各种工况下都能展现出优异的性能它的滚动体与沟槽的配合,堪称完美 它在家用电器中的应用,让生活更加便捷 ,八零动力SKFV型圈密封品种全,价格优,质量有保证!

用户关注最多的SKF轴承型号

SKF2x7203BEGAP* SKF2x7320BEGAM* SKF609-2RSL* SKF62300-2RS10 SKF7321BEP SKFBTM90B/P4CDBB SKFBTW40CTN9/SP SKFCR1020x1084x25HDS1R1 SKFCR230X260X15HMSA10V SKFCR2650560 SKFCR55X75X10HMSA10V SKFH307C SKFK42x47x30ZW SKFLR8x12x12.5 SKFNNCF4848CV

CR400144V型圈密封近似的SKF轴承型号

SKFCR400144 SKFCR400141 SKFCR400145

用户关注最多的轴承狗热门型号

国产  380692/C9 KOYO  6009-2Z SKF  NNCF4868CV GMN  7024C/DB LYC  51134 M SKF  CR30X45X8HMS5RG SKF  2x7212BECBP* SKF  6310-2Z/VA208 NSK  230/950E4 NTN  61819N 国产  NF307 RHP  6310-2RS LYC  6317 E/C3Z1 LYC  132.60.5000.03K LYC  609-2RS

版权所有©2009-2015 轴承狗zcgou.com ICP备案:津ICP备14004550号-13