SKFCR400104轴承详细参数

发布时间:2026-04-14
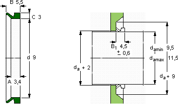
V形环密封件, VR1 设计
V形环密封件
da d A B C
最小 最大
mm mm - - - -
9,511,593,45,53VR1VCR 400104400104

SKFCR400104V型圈密封供应商

八零动力专业销售CR400104V型圈密封,库存SKFCR400104大量现货,与SKF合作,咨询热线:022-58519723业务咨询
SKFCR400104这轴承的设计精妙,充分考虑了各种实际应用需求它的低噪音设计,减少了对环境的噪音污染 这轴承的制造工艺精湛,展现出了极高的工业水准为设备的精确运行提供了保障,该轴承的精度控制精准,为设备的精确运行提供了保障设计合理、性能优良的它,是机械设备实现高效运行的重要保障它的旋转精度,让高速运转成为现实 ,八零动力SKFV型圈密封品种全,价格优,质量有保证!

用户关注最多的SKF轴承型号

SKF51420M SKFC3168KM/HA3C4* SKFCR402756 SKFCR7627 SKFFYRP2.11/16-3 SKFLR25x30x20.5 SKFNA6916 SKFNNC4838CV SKFNU1032 SKFNU216E SKFPCM140145100B SKFPWTR50110.2RS SKFSAF22340 SKFSY1.1/8RM SKFYAR212-207-2F/AH

CR400104V型圈密封近似的SKF轴承型号

SKFCR400104 SKFCR400101 SKFCR400105

用户关注最多的轴承狗热门型号

SKF  6004/HR22T2 FAG  HCB7009-C-2RSD-T-P4S TORRINGTON  22208CC/W33 国产  61917-ZN NSK  7224A NACHI  6818Z NACHI  N417 FAG  N220-E-TVP2 RHP  7306B/DF SKF  CR22338 SNR  7303B/DF LYC  1797/2500K3 KOYO  RS364219-K SKF  CR533803 KOYO  NN30/600

版权所有©2009-2015 轴承狗zcgou.com ICP备案:津ICP备14004550号-13