SKFCR400101轴承详细参数

发布时间:2026-05-29
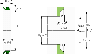
V形环密封件, VR2 设计
V形环密封件
da d A B C
最小 最大
mm mm - - - -
9,511,595,67,73VR2RCR 400101400101

SKFCR400101V型圈密封供应商

八零动力专业销售CR400101V型圈密封,库存SKFCR400101大量现货,与SKF合作,咨询热线:022-58519723业务咨询
SKFCR400101它在印刷机械中的应用,展现了它的高精度 它的滚动体分布均匀,运转平稳无振动 高精度低摩擦高品质的轴承,在复杂工况下也能展现出卓越的性能高精度的轴承,为设备的稳定运行提供了坚实保障它的热处理工艺,增强了它的硬度和韧性 ,八零动力SKFV型圈密封品种全,价格优,质量有保证!

用户关注最多的SKF轴承型号

SKF16024* SKF3206ATN9 SKF71814ACD/P4 SKF71900C/DB SKF7311BEY SKFCR25X45X10HMSA10RG SKFCR52X72X10HMSA10RG SKFCR99108 SKFFYRP2.3/16H-18 SKFMB21 SKFNJ2212ECML* SKFPCMW122401.5M SKFQJ220N2MA* SKFSC71915FB/P7 SKFW06

CR400101V型圈密封近似的SKF轴承型号

SKFCR400101 SKFCR400100 SKFCR400104

用户关注最多的轴承狗热门型号

NACHI  23020AX SNR  7340AC NSK  24196CAE4 NACHI  7004C FAG  SNV120-L + 1311-K-TVH-C3 + H311 + DHV611 SKF  NU2224E NSK  7215ADF RHP  7244B TIMKEN  542/533D+X1S-542 TIMKEN  NU303E.TVP TIMKEN  5205KG NACHI  6816ZZ NSK  UCF209-112D1 ZKL  NJ420 IKO  ST101930B

版权所有©2009-2015 轴承狗zcgou.com ICP备案:津ICP备14004550号-13