SKFCR400105轴承详细参数

发布时间:2026-04-15
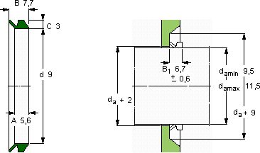
V形环密封件, VR2 设计
V形环密封件
da d A B C
最小 最大
mm mm - - - -
9,511,595,67,73VR2VCR 400105400105

SKFCR400105V型圈密封供应商

八零动力专业销售CR400105V型圈密封,库存SKFCR400105大量现货,与SKF合作,咨询热线:022-58519723业务咨询
SKFCR400105它的耐磨性能,让它在恶劣环境下依然稳定运行 转动的艺术精准运转轴承的耐用性极佳,能够承受高强度的工作负荷引领转动新潮流,优秀的设计理念和精湛的制造工艺,成就了这款杰出的轴承,八零动力SKFV型圈密封品种全,价格优,质量有保证!

用户关注最多的SKF轴承型号

SKF1316 SKF234706B SKF351761A SKF7010CE/P4A SKF71902ACD/P4A SKF71924ACD/HCP4A SKF7312BEM SKFBT4B331487BG/HA1 SKFC4028K30V+AH24028* SKFCR660x724x25HDS1R SKFH3124 SKFM270749/710 SKFN214ECP SKFQJ307MA* SKFSNW18x3.1/16

CR400105V型圈密封近似的SKF轴承型号

SKFCR400105 SKFCR400104 SKFCR400120

用户关注最多的轴承狗热门型号

TIMKEN  100RU33 TIMKEN  NU203E.TVP 国产  6008-Z SKF  230/1250CAKF/W33 国产  NJ314ETN1 NSK  7912CDB INA  IR20X25X30 SNR  3210A-RS FAG  SNV150-L + 2217-K-M-C3 + H317X300 + TSV517X300 FAG  H2313X206 LYC  22207 C/C3S2 SKF  C3048K+AOH3048* SKF  CR42X72X8HMS5RG FAG  S3064-H-N-FZ-AF-L + 23064-K-MB SKF  CR405903

版权所有©2009-2015 轴承狗zcgou.com ICP备案:津ICP备14004550号-13