SKF7320BEM轴承详细参数

发布时间:2026-05-30
角接触球轴承, 单列
主要数据尺寸 尺寸 [英寸] 疲劳负荷限值 额定速度 体积 型号
动态 静态 参照速度 限制速度
d D B C C0 Pu
mm kN kN r/min kg -
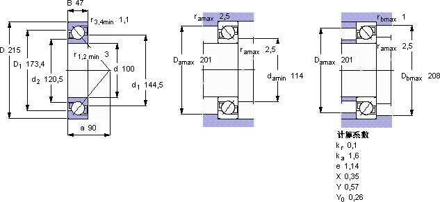
100215472031906,4360038008,007320 BEM

SKF7320BEM角接触球轴承供应商

八零动力专业销售7320BEM角接触球轴承,库存SKF7320BEM大量现货,与SKF合作,咨询热线:022-58519723业务咨询
SKF7320BEM它的承载能力,堪称机械界的“大力士” 这款轴承的性能卓越,有效提升了设备的整体性能和可靠性性能卓越的它,为机械设备的稳定运行提供了可靠保障它在医疗设备中的应用,确保了设备的稳定性 它在冶金设备中的应用,确保了设备的高温性能 这轴承的设计巧妙,充分考虑了设备的运行需求和维护便利性,八零动力SKF角接触球轴承品种全,价格优,质量有保证!

用户关注最多的SKF轴承型号

SKF1212ETN9 SKF16006* SKF30213 SKFC4013V* SKFCR410003 SKFCR65x90x8CRW1V SKFCR58X80X10HMS5RG SKFCR6728 SKFFYJ50TF SKFGE80ES-2RS SKFGEC750TXA-2RS SKFIR200x220x50 SKFMB7C SKFNU320ECM* SKFNUP2207ECP

7320BEM角接触球轴承近似的SKF轴承型号

SKF7320BEGAP* SKF7320BEY SKF2x7320BECCM* SKF7320B/DB SKF7320B SKF7320BECBP SKF7320BEGAF SKF2x7320BECBM* SKF2x7320BEGAF SKF2x7320BECBY SKF7320BEGBY SKF7320BEP

用户关注最多的轴承狗热门型号

STEYR  NJ322 SKF  K68x74x35ZW SKF  CR220X250X16CRWH1R NTN  61820-RS NTN  NJ2317E+HJ2317E NTN  NUP213 NTN  6820NR SKF  S71918CD/HCP4A NSK  7212BDF KOYO  3203A-RS NACHI  7315C FAG  31316-N11CA-A100-140 LYC  NNU 4992/YA STEYR  NJ2209 SKF  FY1.1/4TF/VA228

版权所有©2009-2015 轴承狗zcgou.com ICP备案:津ICP备14004550号-13