SKF7317BEP轴承详细参数

发布时间:2026-04-15
角接触球轴承, 单列
主要数据尺寸 尺寸 [英寸] 疲劳负荷限值 额定速度 体积 型号
动态 静态 参照速度 限制速度
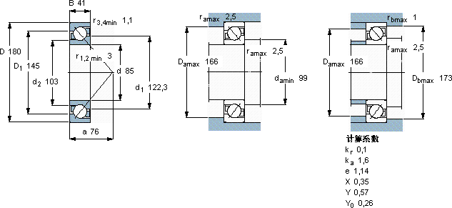
d D B C C0 Pu
mm kN kN r/min kg -
85180411461124,5430043004,267317 BEP

SKF7317BEP角接触球轴承供应商

八零动力专业销售7317BEP角接触球轴承,库存SKF7317BEP大量现货,与SKF合作,咨询热线:022-58519723业务咨询
SKF7317BEP精湛的制造工艺赋予了这款轴承卓越的性能和品质 它的圆度误差几乎可以忽略不计 这轴承的精度控制令人佩服,为设备的精准运行提供了保障它的材质选择,体现了对耐用性的极致追求 它的多样化应用,展现了它的无限可能 这款轴承的稳定性极佳,在长时间运行中也能保持良好状态,八零动力SKF角接触球轴承品种全,价格优,质量有保证!

用户关注最多的SKF轴承型号

SKF22332CC/W33 SKF23134-2CS5K/VT143* SKF292/500 SKF32210J2/Q SKF625/HR22Q2 SKFBBF-8001 SKFCR18259 SKFCR37X55X10CRSH1R SKFCR45x65x8CRW1R SKFCR690x730x20HDS1R SKFNUP2212ECM* SKFPCZ2832M SKFRNA4901RS SKFS71918CD/P4A SKFSDAF23196KAx18

7317BEP角接触球轴承近似的SKF轴承型号

SKF7317B/DF SKF7317BECBP SKF7317BECCM* SKF7317BEGAP* SKF7317BECBM SKF7317BECBF SKF2x7317BEGAP* SKF7317BEGBY SKF2x7317BECBP* SKF2x7317BEGBY SKF7317BEM SKF7318B

用户关注最多的轴承狗热门型号

MRC  7217C/DF SKF  BT4B332647G/HA1 LYC  NF 215 EM/C4YB SKF  BS2B242975D KOYO  6011-RS KOYO  7322B/DT INA  MKUSE25-ZR..-N NACHI  63/32ZE INA  GE630-DW SKF  2x7214BECBP* MRC  NU320 KOYO  F683 SKF  22236-2CS5K/VT143* 国产  6209-2Z IKO  BR223020

版权所有©2009-2015 轴承狗zcgou.com ICP备案:津ICP备14004550号-13