SKF7317BEM轴承详细参数

发布时间:2026-05-30
角接触球轴承, 单列
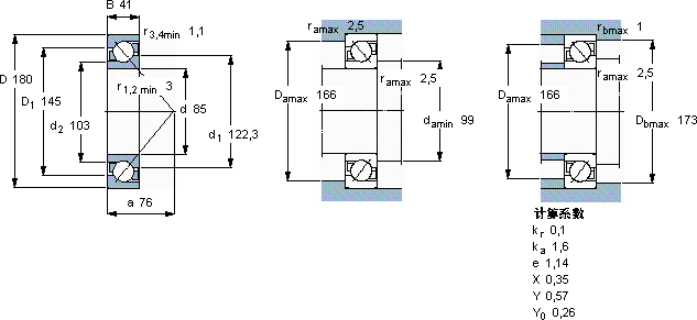
主要数据尺寸 尺寸 [英寸] 疲劳负荷限值 额定速度 体积 型号
动态 静态 参照速度 限制速度
d D B C C0 Pu
mm kN kN r/min kg -
85180411461124,5430045004,747317 BEM

SKF7317BEM角接触球轴承供应商

八零动力专业销售7317BEM角接触球轴承,库存SKF7317BEM大量现货,与SKF合作,咨询热线:022-58519723业务咨询
SKF7317BEM卓越的性能和可靠的质量,让这款轴承成为市场的宠儿转动不停歇它的品质卓越,为机械设备的高效、稳定运行保驾护航它的尺寸精度,达到了微米级的极致 它的表面硬化处理,延长了它的使用寿命 它在风力发电中的应用,为清洁能源贡献力量 ,八零动力SKF角接触球轴承品种全,价格优,质量有保证!

用户关注最多的SKF轴承型号

SKF22328-2CS5K/VT143* SKF32310BJ2/QCL7C SKF6015* SKF6305-RZ* SKF71956ACD/P4A SKF7244AC/DB SKFCR270x310x20HS8R SKFCR15298 SKFCR21248 SKFCR400381 SKFCR45x68x8CRWA1R SKFHK2820 SKFKMK19 SKFNJG2317VH SKFS7017DB/P7

7317BEM角接触球轴承近似的SKF轴承型号

SKF7317BECBY SKF7317BECBY SKF2x7317BEGAP* SKF7317BEP SKF7317BEGAM* SKF7317B/DB SKF2x7317BEGBY SKF7317BECBM* SKF7317BECBM SKF7317BECBF SKF7317BEGBY SKF7317BEP

用户关注最多的轴承狗热门型号

SKF  NNU6922M TIMKEN  EE420701/421437 INA  CSCD110 FAG  SNV130-L + 21312-E1-K + H312X202 + FSV612X202 NACHI  5207AZZ MRC  7012AC KOYO  23238RK+AH3238 FLT  N212 STEYR  NJ2305 EASE  LB122232 SKF  OKTC720 LYC  NNU 4960/SPW33 国产  6307/MT KOYO  3211A-2RS LYC  352224 X2

版权所有©2009-2015 轴承狗zcgou.com ICP备案:津ICP备14004550号-13