SKF350980C轴承详细参数

发布时间:2026-05-30
圆锥滚子推力轴承, 双向
主要数据尺寸 基本负荷额定值 疲劳负荷限值 最小负荷系数 型号
动态 静态
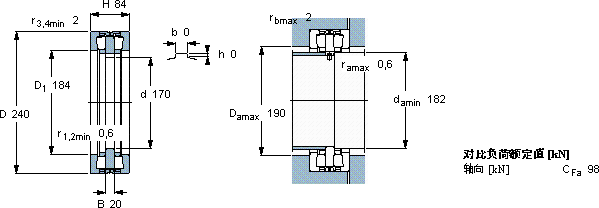
d D H C C0 Pu
mm kN kN kg -
17024084330129010412,5350980 C

SKF350980C圆锥滚子推力轴承供应商

八零动力专业销售350980C圆锥滚子推力轴承,库存SKF350980C大量现货,与SKF合作,咨询热线:022-58519723业务咨询
SKF350980C卓越的设计和可靠的性能,是这款轴承的两大亮点轴承的耐用性极佳,为设备的长期稳定运行提供了保障高精度的制造工艺,让这款轴承的性能更加出色就是选择高效与可靠卓越的性能表现,让这款轴承在市场上脱颖而出它的耐高温性能,减少了冷却系统的能耗 ,八零动力SKF圆锥滚子推力轴承品种全,价格优,质量有保证!

用户关注最多的SKF轴承型号

SKF315175A SKF6209-2Z* SKFBT4B332716/HA1 SKFCR13548 SKFCR16338 SKFCR25X47X7HMSA10RG SKFCR43X62X8HMS5V SKFHA215 SKFHE3132L SKFNJ230E SKFLL566848/810/HA1 SKFNNCF5028CV SKFNU317ECP* SKFPCZ1414M SKFPWM859560

350980C圆锥滚子推力轴承近似的SKF轴承型号

SKF350980C SKF350976C SKF350981C

用户关注最多的轴承狗热门型号

SKF  NU309E INA  SL181884-E INA  VU360680 LYC  22220 C INA  WS81113 SKF  QJ320N2MA KOYO  46T32240JR/174 LYC  16026 LYC  6201 E SKF  71801ACD/HCP4 SKF  SAFC2513 LYC  23236 CA/C2W33YA LYC  110.28.800.04 KOYO  53204 IKO  LM304564NF

版权所有©2009-2015 轴承狗zcgou.com ICP备案:津ICP备14004550号-13