SKF7317BECBF轴承详细参数

发布时间:2026-05-30
角接触球轴承, 单列
主要数据尺寸 尺寸 [英寸] 疲劳负荷限值 额定速度 体积 型号
动态 静态 参照速度 限制速度
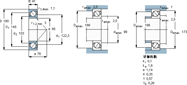
d D B C C0 Pu
mm kN kN r/min kg -
85180411461224,5430043004,757317 BECBF

SKF7317BECBF角接触球轴承供应商

八零动力专业销售7317BECBF角接触球轴承,库存SKF7317BECBF大量现货,与SKF合作,咨询热线:022-58519723业务咨询
SKF7317BECBF设计合理、性能优良的轴承,是机械设备的理想之选从制造工艺到实际性能,这款轴承都表现得十分出色,匠心制造零误差起步它在轨道交通中的应用,确保了列车的安全运行 它的材质选择,体现了对品质的极致追求 ,八零动力SKF角接触球轴承品种全,价格优,质量有保证!

用户关注最多的SKF轴承型号

SKF23234CCK/W33+H2334* SKF331125A SKF307238 SKF5313A* SKF71906ACD/P4A SKFBT2B332625 SKFCR14X24X7HMSA10RG SKFCR80X105X10HMSA10RG SKFFYKC20NTH SKFN2308 SKFNJ2207ECP SKFNKX15 SKFSYR2.3/4N SKFTU20TF SKFWS89428

7317BECBF角接触球轴承近似的SKF轴承型号

SKF7317BECBY SKF7317BECBJ SKF2x7317BEGAF SKF7317BECBM* SKF2x7317BECBP* SKF2x7317BECBPH* SKF7317B SKF7317B/DT SKF2x7317BECBJ SKF2x7317BECCM* SKF7317BEP SKF7317BECBJ

用户关注最多的轴承狗热门型号

NSK  7309BYDT SKF  3305A-RS TORRINGTON FAFNIR  6207-Z TIMKEN  639/632D/X2S-639 KOYO  6204-RZ SKF  21316CCK NACHI  23934AX SKF  29685/2/29620/3/Q LYC  23172 K FAG  SNV160-L + 21315-E1-K + H315X210 + DH615 TIMKEN  13687/13621D/X1S-13687 KOYO  45376 SKF  CR16999 国产  3311A-2ZTN1 IKO  LSAGF40

版权所有©2009-2015 轴承狗zcgou.com ICP备案:津ICP备14004550号-13