SKF7317BECBP*轴承详细参数

发布时间:2026-04-14
角接触球轴承, 单列
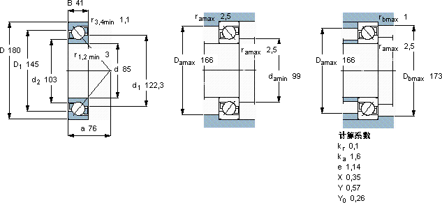
主要数据尺寸 尺寸 [英寸] 疲劳负荷限值 额定速度 体积 型号
动态 静态 参照速度 限制速度
d D B C C0 Pu * - SKF Explorer 轴承
mm kN kN r/min kg -
85180411561324,9480048004,267317 BECBP *

SKF7317BECBP*角接触球轴承供应商

八零动力专业销售7317BECBP*角接触球轴承,库存SKF7317BECBP*大量现货,与SKF合作,咨询热线:022-58519723业务咨询
SKF7317BECBP*其设计和制造工艺都达到了国际先进水平,是一款优质轴承它的稳定性,让它在各种环境下都能可靠工作 制造工艺精湛,使得这款轴承的精度和稳定性都非常出色轴承的耐用性超乎想象,有效降低了设备的维护成本给您意想不到的顺畅体验,运转起来如此顺滑,这款轴承的制造工艺着实令人赞叹,八零动力SKF角接触球轴承品种全,价格优,质量有保证!

用户关注最多的SKF轴承型号

SKF29488EM SKF47487/47420 SKF511/900F SKF6204/HR11TN SKFBTM130A/HCP4CDBB SKFC3024V* SKFCR13920 SKFCR22424 SKFCR23030 SKFFYTB40TF SKFNU20/710ECMA SKFPCM707540B SKFPDNB313 SKFRNA4920 SKFSYE2.7/16-18

7317BECBP*角接触球轴承近似的SKF轴承型号

SKF2x7317BEGBY SKF7317BEP SKF7317BEGAP* SKF7317BECBP SKF7317BEGAM* SKF2x7317BECBP* SKF2x7317BECCM* SKF2x7317BECBF SKF2x7317BECBY SKF7317BEM SKF7317BECBM* SKF7317BECBPH*

用户关注最多的轴承狗热门型号

SKF  YET208CW NTN  NJ415 SKF  53224U KOYO  6308-2Z SKF  PCM242715B 国产  QJ307N2Q1/SO KOYO  NF334 SKF  NCF3036CV STEYR  6200-2RS INA  PHE45 国产  NAL6034ZW/C6 KOYO  NU1013 TIMKEN  86650/86100-B NTN  7026AC/DB KOYO  15117/245

版权所有©2009-2015 轴承狗zcgou.com ICP备案:津ICP备14004550号-13