SKF7317BECBY轴承详细参数

发布时间:2026-05-30
角接触球轴承, 单列
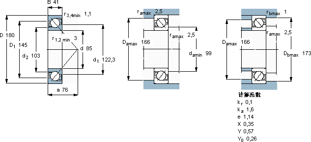
主要数据尺寸 尺寸 [英寸] 疲劳负荷限值 额定速度 体积 型号
动态 静态 参照速度 限制速度
d D B C C0 Pu
mm kN kN r/min kg -
85180411531324,9430043004,597317 BECBY

SKF7317BECBY角接触球轴承供应商

八零动力专业销售7317BECBY角接触球轴承,库存SKF7317BECBY大量现货,与SKF合作,咨询热线:022-58519723业务咨询
SKF7317BECBY性能优越的轴承,极大地提高了设备的工作效率和稳定性它的质量卓越,为机械设备的安全运行保驾护航它的几何精度,让机械运转分毫不差 它的每一次转动,都是对效率的极致追求 质量无可挑剔的轴承,在行业内树立了良好的口碑和形象它的径向跳动控制,达到了行业顶尖水平 ,八零动力SKF角接触球轴承品种全,价格优,质量有保证!

用户关注最多的SKF轴承型号

SKF22322EJA/VA405 SKF23264CC/W33* SKF53311 SKF7012AC/DF SKF7322BECCM SKFBK1816 SKFCR21171 SKFHE317E SKFN218ECM* SKFNJ2307ECP* SKFNKIS20 SKFNNU4938BK/SPW33 SKFNUTR45100A SKFPCM121412E SKFQJ212

7317BECBY角接触球轴承近似的SKF轴承型号

SKF7317BECBP SKF7317BECBY SKF7317BECBY SKF7317BECBM* SKF2x7317BEGAM* SKF2x7317BECCM* SKF2x7317BEGAP* SKF7317BEGAF SKF2x7317BEGAF SKF7317BEP SKF7317BECBPH* SKF7317BECCM*

用户关注最多的轴承狗热门型号

KOYO  23948R SKF  C71919FB/P7 DKF  7214AC/DF SKF  6204-2RSL LYC  23272 CA/C3W33 TORRINGTON  22311CC/W33 INA  SL182209 LYC  6305 Q/P53S0 SNR  7320AC/DT NACHI  6324ZZ SKF  211-2Z TORRINGTON FAFNIR  7012AC LYC  NN 3072 K/YA1 SKF  89320M IKO  IRT1225-2

版权所有©2009-2015 轴承狗zcgou.com ICP备案:津ICP备14004550号-13