SKF7317BECBM*轴承详细参数

发布时间:2026-05-30
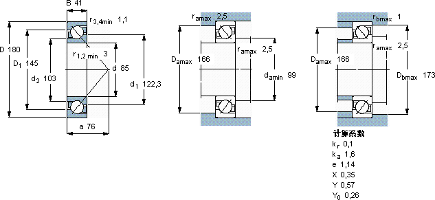
角接触球轴承, 单列
主要数据尺寸 尺寸 [英寸] 疲劳负荷限值 额定速度 体积 型号
动态 静态 参照速度 限制速度
d D B C C0 Pu * - SKF Explorer 轴承
mm kN kN r/min kg -
85180411561324,9480048004,747317 BECBM *

SKF7317BECBM*角接触球轴承供应商

八零动力专业销售7317BECBM*角接触球轴承,库存SKF7317BECBM*大量现货,与SKF合作,咨询热线:022-58519723业务咨询
SKF7317BECBM*品质永相随它的抗疲劳性能,确保了长期使用的可靠性 它的耐磨性能,让它在恶劣环境下依然稳定运行 坚固的结构稳定的性能它的滚动体分布均匀,运转平稳无振动 它在农业机械中的应用,展现了它的耐用性 ,八零动力SKF角接触球轴承品种全,价格优,质量有保证!

用户关注最多的SKF轴承型号

SKF32024X/DF SKF6000/HR11QN SKFCR10X22X7HMSA10RG SKFCR15960 SKFCR15X40X10HMS5RG SKFCR20X35X6HMSA10V SKFCR45x75x8CRW1V SKFFY1.1/4TR SKFFYT13/16WF SKFHM231148/110 SKFNU306ECM* SKFP1.11/16WF SKFW61903 SKFW6306-2Z SKFYAR204-012-2RF

7317BECBM*角接触球轴承近似的SKF轴承型号

SKF2x7317BEGAP* SKF2x7317BECBY SKF7317BECBY SKF2x7317BEGBY SKF7317BEGAP* SKF2x7317BECBM* SKF7317BEGBY SKF7317BEP SKF7317B SKF7317B/DT SKF7317BECBJ SKF7317BECBP*

用户关注最多的轴承狗热门型号

NTN  61816-RZ LYC  NCL 305 NACHI  SN315 FAG  SNV110-L + 21310-E1-K + H310X111 + DHV610X111 SKF  PF3/4FM 国产  K28*38*18 LYC  6306 Q/P53S0 INA  RCJTY12 LYC  23020 CA/W33 FAG  SNV085-L + 2209-K-TVH-C3 + H309X108 + TCV509X108 STEYR  6312-Z GMN  7014AC/DB SKF  AN38 GMN  7036C/DT IKO  CRWG4-320

版权所有©2009-2015 轴承狗zcgou.com ICP备案:津ICP备14004550号-13