SKF7313BECBP*轴承详细参数

发布时间:2026-04-15
角接触球轴承, 单列
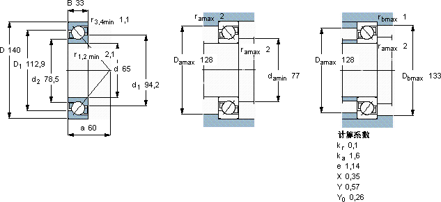
主要数据尺寸 尺寸 [英寸] 疲劳负荷限值 额定速度 体积 型号
动态 静态 参照速度 限制速度
d D B C C0 Pu * - SKF Explorer 轴承
mm kN kN r/min kg -
651403311686,53,65630063002,107313 BECBP *

SKF7313BECBP*角接触球轴承供应商

八零动力专业销售7313BECBP*角接触球轴承,库存SKF7313BECBP*大量现货,与SKF合作,咨询热线:022-58519723业务咨询
SKF7313BECBP*它在轨道交通中的应用,确保了列车的安全运行 该轴承的性能出色,有效提升了机械设备的整体性能它的加工设备,代表了世界领先水平 它的品质卓越,为机械设备的高效运行提供了坚实后盾优秀的设计让这款轴承在运行时更加高效节能轴承的耐用性强,减少了设备的停机维护时间,八零动力SKF角接触球轴承品种全,价格优,质量有保证!

用户关注最多的SKF轴承型号

SKF2306K SKF2x7322BECBY SKF315800 SKF623-Z SKFCR13758 SKFCR15039 SKFCR3400539 SKFCR524230 SKFCR526582 SKFGX20F SKFNNU4940BK/SPW33 SKFPWM283440 SKFS71911DB/P7 SKFSDAF23068 SKFW6207

7313BECBP*角接触球轴承近似的SKF轴承型号

SKF7313BEGBP* SKF7313BECBM* SKF2x7313BEGAP* SKF7313BEGBY SKF7313BEP SKF2x7313BECBF SKF7313BECBY SKF2x7313BECBJ SKF7313B/DF SKF7313BECBY SKF7313BECBM* SKF7313BECBPH*

用户关注最多的轴承狗热门型号

SKF  VJ-PDNB311 FAG  BND3224-H-W-T-BL-S FLT  NU238 INA  K81132-TV NTN  UCFU307 TIMKEN  90RIJ399 FYH  UELP209 SKF  51252M TIMKEN  67790D/67720+Y2S-67720 SNR  7005AC FAG  22316-E1-K-T41A INA  RWS1808-150/x150/x2 FAG  SNV215-L + 22224-E1-K + H3124 + TSV524 TIMKEN  15117/15251D+X1S-15117 SKF  BT1B332900

版权所有©2009-2015 轴承狗zcgou.com ICP备案:津ICP备14004550号-13