SKF2x7313BECBF轴承详细参数

发布时间:2026-05-29
角接触球轴承, 单列,用于配对安装, 面对面配对
主要数据尺寸 基本负荷额定值 疲劳负荷限值 额定速度 体积 型号 轴承配对
动态 静态 参照速度 限制速度
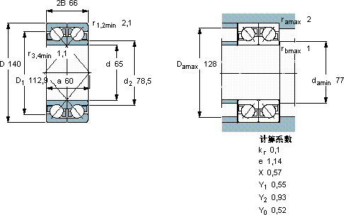
d D 2B C C0 Pu
mm kN kN r/min kg --
65140661741606,7450056004,702 × 7313 BECBFDF

SKF2x7313BECBF角接触球轴承供应商

八零动力专业销售2x7313BECBF角接触球轴承,库存SKF2x7313BECBF大量现货,与SKF合作,咨询热线:022-58519723业务咨询
SKF2x7313BECBF以卓越品质它的精密设计,展现了人类智慧的巅峰 它虽小,却是工业革命的基石 这轴承的设计精妙,充分考虑了各种实际应用需求承载重托先进的生产工艺,打造出了这款性能卓越的轴承,八零动力SKF角接触球轴承品种全,价格优,质量有保证!

用户关注最多的SKF轴承型号

SKF2218K+H318 SKF239/800CA/W33* SKF29396 SKF305352 SKF6217NR* SKF71800CD/HCP4A SKFBT4B331559/HA4 SKFC3132K+AH3132G* SKFCR1650580 SKFCR27362 SKFCR40X68X10HMSA10V SKFCR70x92x11CRWH1V SKFFYTBKC30NTR/VE495 SKFNU311ECNJ* SKFYAR204-2RF

2x7313BECBF角接触球轴承近似的SKF轴承型号

SKF7313BECCM* SKF7313BEP SKF7313B/DT SKF2x7313BEGBM* SKF2x7313BEGBP* SKF7313BEGAM* SKF7313BECBM SKF2x7313BEGAF SKF2x7313BECBF SKF7313BECBY SKF2x7312BEGBY SKF2x7313BECBJ

用户关注最多的轴承狗热门型号

NTN  3209 国产  24160C/W33 SKF  1208ETN9 国产  NU424M FAG  SD548-N-FZ-BL-L + 222SM220-MA SKF  NUP2210E SKF  C3030KMB+H3030E* TIMKEN  55200 /55437-B NACHI  24088EW33 国产  32926 NSK  6001N FAG  BND3264-H-W-T-BL-S 国产  22312CM NSK  7338ADT SKF  CR525212

版权所有©2009-2015 轴承狗zcgou.com ICP备案:津ICP备14004550号-13