SKF7313BEP轴承详细参数

发布时间:2026-04-14
角接触球轴承, 单列
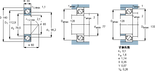
主要数据尺寸 尺寸 [英寸] 疲劳负荷限值 额定速度 体积 型号
动态 静态 参照速度 限制速度
d D B C C0 Pu
mm kN kN r/min kg -
6514033108803,35560056002,107313 BEP

SKF7313BEP角接触球轴承供应商

八零动力专业销售7313BEP角接触球轴承,库存SKF7313BEP大量现货,与SKF合作,咨询热线:022-58519723业务咨询
SKF7313BEP精密与耐用的完美结合,其设计和制造都达到了极高的水准,是一款不可多得的轴承轴承的耐用性强,减少了设备的停机维护时间品质卓越的它,为机械设备的稳定、高效运行提供了支持它的使用寿命,远超同类产品 它的精密装配,确保了整体性能的卓越 ,八零动力SKF角接触球轴承品种全,价格优,质量有保证!

用户关注最多的SKF轴承型号

SKF1211EKTN9 SKF232/560CAK/W33+OH32/560H SKF33012/Q SKF53412 SKF71906ACD/HCP4A SKFCR140X160X12HMS5RG SKFCR30X62X10HMSA10V SKFCR400504 SKFFNL518B SKFH312E SKFNJ207ECM* SKFPCMS1005002.0M SKFPCZ6448B SKFPFD1.9/16TF SKFPFT1.7/16TF

7313BEP角接触球轴承近似的SKF轴承型号

SKF7313BEGBM* SKF2x7313BECBJ SKF7313BEGAP* SKF2x7313BEGAM* SKF2x7313BECBM* SKF7313BEGAM* SKF7313BEGBY SKF7313BECBP SKF7313BEGAF SKF7313BEGBP* SKF7313BEGBY SKF7314B

用户关注最多的轴承狗热门型号

STEYR  NU2215E LYC  23128/P6 TORRINGTON  294/500 MRC  7016C NMB  L-1150 INA  PAGBAO50-PP-AS TIMKEN  399AS/394D+X4S-399A FLT  NU2219E FAG  7007-B-TVP TIMKEN  99537/99102CD/X1S-99537 NSK  N328 SNR  7228B/DB NTN  NUP240 国产  7309BTN1 FAG  22209-E1

版权所有©2009-2015 轴承狗zcgou.com ICP备案:津ICP备14004550号-13