SKF7313BECBM*轴承详细参数

发布时间:2026-04-14
角接触球轴承, 单列
主要数据尺寸 尺寸 [英寸] 疲劳负荷限值 额定速度 体积 型号
动态 静态 参照速度 限制速度
d D B C C0 Pu * - SKF Explorer 轴承
mm kN kN r/min kg -
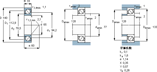
651403311686,53,65630063002,317313 BECBM *

SKF7313BECBM*角接触球轴承供应商

八零动力专业销售7313BECBM*角接触球轴承,库存SKF7313BECBM*大量现货,与SKF合作,咨询热线:022-58519723业务咨询
SKF7313BECBM*引领行业速度,我们的轴承始终稳如磐石它的使用寿命,远超同类产品 精湛的制造工艺赋予了这款轴承出色的性能和可靠性它的故障率极低,确保了设备的稳定运行 先进的制造工艺,让这款轴承的性能更加稳定可靠它的质量可靠,是众多机械设备制造商的首选配件,八零动力SKF角接触球轴承品种全,价格优,质量有保证!

用户关注最多的SKF轴承型号

SKF22320CC/W33 SKF23160CAC/W33 SKF241/850ECAF/W33 SKF29230E SKF32307/37BJ2/Q SKF618/500MA SKF71892AGMB SKF71908CD/HCP4A SKF81232M SKFCR18926 SKFCR40X72X9CRSH1R SKFNUP2228ECML SKFPCM252815M SKFSNW8x1.1/4 SKFYAR209-111-2F

7313BECBM*角接触球轴承近似的SKF轴承型号

SKF2x7313BEGBP* SKF2x7313BEGAP* SKF2x7313BECCM* SKF7313BEP SKF2x7313BEGBY SKF7313BECBM SKF2x7313BECBPH* SKF2x7313BECBP* SKF7313BECBM* SKF7313BECBPH* SKF7313BECBJ SKF7313BECBP*

用户关注最多的轴承狗热门型号

LYC  NU 1026 M/P6 NTN  7032C TORRINGTON&FAFNIR  6310-2RS LYC  230/630/C3S0 LYC  6397/2885 国产  61820TN1 INA  RWS1808-350/x350/x184 SKF  607-RS INA  K65X73X30 TIMKEN  795/792 INA  STO15 ASK  NJ228 TIMKEN  21312VCSJ NSK  95BNR20HV1V SKF  GAC25F

版权所有©2009-2015 轴承狗zcgou.com ICP备案:津ICP备14004550号-13