SKF7307BEP轴承详细参数

发布时间:2026-04-15
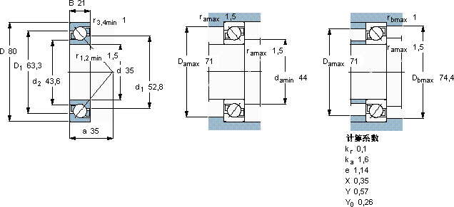
角接触球轴承, 单列
主要数据尺寸 尺寸 [英寸] 疲劳负荷限值 额定速度 体积 型号
动态 静态 参照速度 限制速度
d D B C C0 Pu
mm kN kN r/min kg -
3580213924,51,0410000100000,457307 BEP

SKF7307BEP角接触球轴承供应商

八零动力专业销售7307BEP角接触球轴承,库存SKF7307BEP大量现货,与SKF合作,咨询热线:022-58519723业务咨询
SKF7307BEP卓越的性能和可靠的质量,让这款轴承成为市场的宠儿它在纺织机械中的应用,确保了设备的高速运转 它在包装机械中的应用,确保了设备的高效率 它的低噪音设计,减少了对环境的噪音污染 稳定的传奇它的可回收性,减少了废弃物处理成本 ,八零动力SKF角接触球轴承品种全,价格优,质量有保证!

用户关注最多的SKF轴承型号

SKF2x7321BEGAM SKF3303ATN9 SKF5306E SKF812/600M SKFAMS20ABP SKFCR19229 SKFCR406803 SKFCRL40AMB SKFGE30C SKFH216 SKFNAO35x55x20 SKFPDNB206 SKFSAFC3036KAx6.5/16 SKFSILKAC10M SKFYEL203-008-2F

7307BEP角接触球轴承近似的SKF轴承型号

SKF7307BECBP SKF7307B SKF7307BEY SKF2x7307BECBP* SKF7307BEGAP* SKF2x7307BECBM* SKF7307B/DB SKF7307BEP SKF7307B/DF SKF2x7307BEGBP* SKF7307BEGBP* SKF7307BEY

用户关注最多的轴承狗热门型号

FAG  BND3284-H-W-Y-BL-S SKF  CR26x35x7CRS1R SKF  32308J2/Q 国产  234415BM NSK  7909A5TYNP5 NACHI  6302-2NKE INA  IR35X42X20-IS1 SKF  CR24X47X7HMSA10RG LYC  6004 E-2RZ/Z1 NACHI  64450/64700 FAG  LOE220-N-AL-L SKF  24036CCK30/W33 NSK  7906CTY LYC  FD-1788/2617 IKO  LRXSC15

版权所有©2009-2015 轴承狗zcgou.com ICP备案:津ICP备14004550号-13