SKF7307BEY轴承详细参数

发布时间:2026-05-30
角接触球轴承, 单列
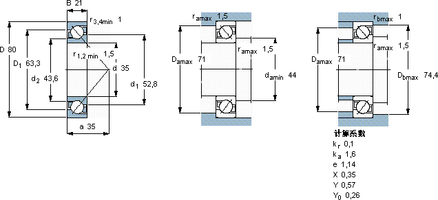
主要数据尺寸 尺寸 [英寸] 疲劳负荷限值 额定速度 体积 型号
动态 静态 参照速度 限制速度
d D B C C0 Pu
mm kN kN r/min kg -
3580213924,51,0410000100000,497307 BEY

SKF7307BEY角接触球轴承供应商

八零动力专业销售7307BEY角接触球轴承,库存SKF7307BEY大量现货,与SKF合作,咨询热线:022-58519723业务咨询
SKF7307BEY高精度与高可靠性的完美结合,成就了这款杰出的轴承是机械世界的璀璨明星,先进的制造技术,让这款轴承的质量达到了行业领先水平轴承的精度极高,使得设备的运行误差被控制在极小范围内从制造工艺到实际性能,这款轴承都表现得十分出色,优秀的设计和卓越的性能,让这款轴承备受青睐,八零动力SKF角接触球轴承品种全,价格优,质量有保证!

用户关注最多的SKF轴承型号

SKF234440B SKF23992CAK/W33* SKF241/600ECAK30/W33+AOH241/600 SKF30324J2/DFC600 SKF628-RZ* SKFBT4B328100/HA4 SKFCR41X56X7HMS5RG SKFCR51x73x8CRWA1R SKFCR70X110X10HMSA10V SKFCR99091 SKFGS81264 SKFH2330 SKFNK60/35 SKFNU12/560MA SKFUEL203

7307BEY角接触球轴承近似的SKF轴承型号

SKF7307BECBM SKF7307BECBP SKF7307BEGBP* SKF7307BECBY SKF7307B SKF7307BEY SKF7307BECBM* SKF2x7307BECBP* SKF2x7307BECBY SKF2x7307BEGAP* SKF7307BEP SKF7308B

用户关注最多的轴承狗热门型号

LYC  6209 EN BARDEN  7211AC/DB SKF  220 STEYR  NU1064 NSK  UCFL211D1 SKF  CR40020 NSK  22206CKE4 NSK  22330CAE4 LYC  SF1-504540 SKF  CR55X68X8HMSA10V STEYR  7313B/DB SKF  HMV150E FAG  SNV160-L + 1315-K-M-C3 + H315 + FSV615 MRC  6302-Z SKF  7020DB/P7

版权所有©2009-2015 轴承狗zcgou.com ICP备案:津ICP备14004550号-13