SKFCR405603轴承详细参数

发布时间:2026-05-30
V形环密封件, VR4 设计
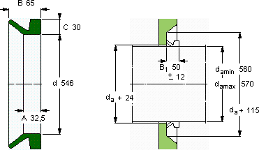
V形环密封件
da d A B C
最小 最大
mm mm - - - -
56057054632,56530VR4RCR 405603405603

SKFCR405603V型圈密封供应商

八零动力专业销售CR405603V型圈密封,库存SKFCR405603大量现货,与SKF合作,咨询热线:022-58519723业务咨询
SKFCR405603它的滚动体分布均匀,运转平稳无振动 轴承的精度和稳定性都达到了行业顶尖水平优秀的轴承,就像精密仪器的心脏,确保着整个系统的高效运转它的抗变形能力,让它在高负载下依然保持形状 精湛的制造工艺赋予了这款轴承卓越的性能和品质 它的润滑技术,减少了摩擦和磨损 ,八零动力SKFV型圈密封品种全,价格优,质量有保证!

用户关注最多的SKF轴承型号

SKF1309EKTN9+H309 SKF1315K+H315 SKF24030-2CS5/VT143* SKF306614 SKF51102V/HR11Q1 SKF51201V/HR22Q2 SKF51206V/HR22T2 SKFC7008FB/P7 SKFCR30X45X8CRW1P SKFCR34x48x8CRW1R SKFCR525633 SKFCR99337 SKFH3926 SKFPCZ3640B SKFTU1.1/2WF

CR405603V型圈密封近似的SKF轴承型号

SKFCR405603 SKFCR405504 SKFCR405703

用户关注最多的轴承狗热门型号

FAG  BND3226-H-C-T-BL-S NACHI  7034DT SKF  FY1.1/2RM NSK  75TAC20X+L TIMKEN  LM377449/LM377410CD+LM377449XB ASAHI  UEL210 国产  6016-RS/Z2 NSK  23952CAMKE4 TORRINGTON  24030CCK30/W33 NSK  7956C KOYO  RF527232 国产  6316-RS/Z3 FYH  UK310+H2310 SKF  CR527903 LYC  6208 WB1-FS

版权所有©2009-2015 轴承狗zcgou.com ICP备案:津ICP备14004550号-13