SKF70/850AMB轴承详细参数

发布时间:2026-04-15
角接触球轴承, 单列
主要数据尺寸 尺寸 [英寸] 疲劳负荷限值 额定速度 体积 型号
动态 静态 参照速度 限制速度
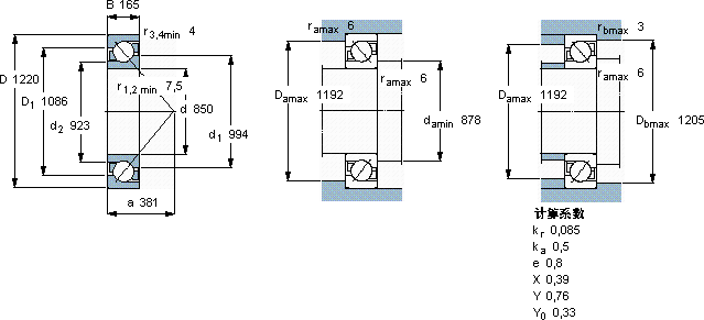
d D B C C0 Pu
mm kN kN r/min kg -
8501220165153046506145048059570/850 AMB

SKF70/850AMB角接触球轴承供应商

八零动力专业销售70/850AMB角接触球轴承,库存SKF70/850AMB大量现货,与SKF合作,咨询热线:022-58519723业务咨询
SKF70/850AMB它的抗磨损涂层,让它更加耐用 是您设备高效运转的可靠伙伴,它的精密性,让它在高精度设备中无可替代 它的故障率极低,确保了设备的稳定运行 它的每一次转动,都是对精准度的极致追求 它在矿山设备中的应用,确保了设备的高负载能力 ,八零动力SKF角接触球轴承品种全,价格优,质量有保证!

用户关注最多的SKF轴承型号

SKF31308J2/QCL7CDF* SKF2x708/600AGMB SKF53203 SKF67391/67322 SKF71984BM SKFAS110145 SKFCR12X28X7HMSA10RG SKFCR400400 SKFCR72X100X10HMS5RG SKFFYTB45TR SKFH209 SKFQJ1022N2MA SKFS7024ACD/P4A SKFSAF22513x2.1/8 SKFSYR4N

70/850AMB角接触球轴承近似的SKF轴承型号

SKF7036AC SKF7010C/DT SKF7018C/DB SKF7032C/DB SKF7003C/DB SKF7016AC SKF7038AC SKF7020C SKF70/670AMB SKF7048BGM SKF70/800AMB SKF70/900AMB

用户关注最多的轴承狗热门型号

SKF  WEEX003-2Z SKF  QJ315N2MA NSK  N210W NACHI  30334 NACHI  51307 SKF  SAW23532X5.1/2 SKF  2x7209BEGBY DKF  7313AC/DB SKF  OKF210 FAG  ZRB64X128-QP LYC  6207 E-Z MRC  6312-2RS NTN  GE200ES TORRINGTON FAFNIR  3307 ASK  NUP222

版权所有©2009-2015 轴承狗zcgou.com ICP备案:津ICP备14004550号-13