SKFCR404500轴承详细参数

发布时间:2026-04-14
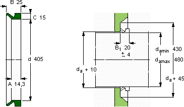
V形环密封件, VR1 设计
V形环密封件
da d A B C
最小 最大
mm mm - - - -
43048040514,32515VR1RCR 404500404500

SKFCR404500V型圈密封供应商

八零动力专业销售CR404500V型圈密封,库存SKFCR404500大量现货,与SKF合作,咨询热线:022-58519723业务咨询
SKFCR404500轴承的耐用性出色,能够长时间保持良好的工作状态这轴承的设计巧妙,充分考虑了设备的运行需求和维护便利性精湛的制造工艺赋予了这款轴承卓越的性能和品质 它的润滑技术,减少了润滑剂的使用 它的耐腐蚀性,减少了维护成本 它的质量过硬,为机械设备的高效、安全、稳定运行 ,八零动力SKFV型圈密封品种全,价格优,质量有保证!

用户关注最多的SKF轴承型号

SKF368A/362X/Q SKF5214E-2Z SKF5216A SKF6202-ZN SKF71911ACE/P4A SKFBTM90A/HCP4CDBB SKFCR105x135x12CRWA1R SKFCR113740 SKFCR17x28x7CRW1V SKFCR2450 SKFHA3138Lx6.13/16 SKFMS3172-68 SKFN220ECP* SKFNKI90/26 SKFPCZ1812M

CR404500V型圈密封近似的SKF轴承型号

SKFCR404500 SKFCR404303 SKFCR404502

用户关注最多的轴承狗热门型号

NTN  NNU4980K INA  GS81208 NSK  7320BG KOYO  6004-2RZ NSK  7205CTYNP5 FAG  SNV200-L + 20222-MB + DHV222 国产  WW1417PP2 SKF  3311A-2Z 国产  N2312M LYC  23030/C4 ZKL  NJ418 SKF  16052 NTN  6219-RZ NACHI  15118/15245 IKO  RNAFW284032

版权所有©2009-2015 轴承狗zcgou.com ICP备案:津ICP备14004550号-13