SKF7221BECBP*轴承详细参数

发布时间:2026-05-30
角接触球轴承, 单列
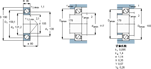
主要数据尺寸 尺寸 [英寸] 疲劳负荷限值 额定速度 体积 型号
动态 静态 参照速度 限制速度
d D B C C0 Pu * - SKF Explorer 轴承
mm kN kN r/min kg -
105190361561505,2430043003,827221 BECBP *

SKF7221BECBP*角接触球轴承供应商

八零动力专业销售7221BECBP*角接触球轴承,库存SKF7221BECBP*大量现货,与SKF合作,咨询热线:022-58519723业务咨询
SKF7221BECBP*它的每一次转动,都是对精准度的极致追求 优秀的轴承,就像精密仪器的心脏,确保着整个系统的高效运转高品质的轴承,在各种复杂工况下都能展现出卓越的性能表现性能卓越的它,为机械设备的稳定运行提供了可靠保障优秀的设计理念和精湛的制造工艺,成就了这款杰出的轴承轴承的稳定性和可靠性表现卓越,赢得了广泛赞誉,八零动力SKF角接触球轴承品种全,价格优,质量有保证!

用户关注最多的SKF轴承型号

SKF1204EKTN9+H204 SKF23180CAC/W33 SKF23184CACK/W33+H3184 SKF3204A-Z SKF7232B/DT SKFBC2B326495A/HB1 SKFBCRB322778 SKFBCSB316586 SKFCR99424 SKFHE3028 SKFK24x28x17 SKFK30x34x13 SKFKD2-303 SKFQJ324N2MA* SKFW61902-2Z

7221BECBP*角接触球轴承近似的SKF轴承型号

SKF7221C/DB SKF7221C SKF7221B SKF7221B/DB SKF7221BEP SKF7221BECBM SKF7221AC/DT SKF7221AC/DF SKF7221BECBM SKF7221BEP SKF7221BECBM SKF7221BEP

用户关注最多的轴承狗热门型号

SNR  7305C FAG  22216-E1-K SKF  SY2.1/2TF/AH RHP  NU211 NACHI  21309AX KOYO  16014 TIMKEN  AOH3180 TIMKEN  NUP2205E.TVP TIMKEN  KM07 RHP  51105 SKF  7204BECBM INA  RWS1808-150/x150/x30 SKF  NA4905.2RS SKF  YAR207-105-2F SKF  SYR3.15/16N-118

版权所有©2009-2015 轴承狗zcgou.com ICP备案:津ICP备14004550号-13