SKF7221BEP轴承详细参数

发布时间:2026-05-29
角接触球轴承, 单列
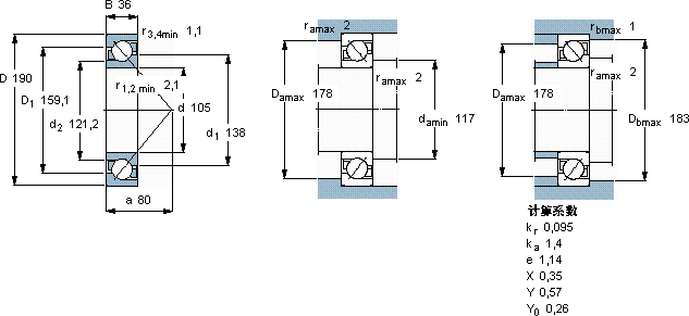
主要数据尺寸 尺寸 [英寸] 疲劳负荷限值 额定速度 体积 型号
动态 静态 参照速度 限制速度
d D B C C0 Pu
mm kN kN r/min kg -
105190361481374,8380038003,827221 BEP

SKF7221BEP角接触球轴承供应商

八零动力专业销售7221BEP角接触球轴承,库存SKF7221BEP大量现货,与SKF合作,咨询热线:022-58519723业务咨询
SKF7221BEP它在矿山设备中的应用,确保了设备的高负载能力 是您成功路上的得力助手,它的微观表面处理,减少了摩擦和磨损 有效增强了机械设备的竞争力轴承的精度和稳定性都达到了行业顶尖水平它的可回收性,减少了废弃物处理成本 ,八零动力SKF角接触球轴承品种全,价格优,质量有保证!

用户关注最多的SKF轴承型号

SKF2210E-2RS1KTN9 SKF23036CCK/W33 SKF23138CCK/33+H3138 SKF353065B SKF629* SKF7017ACD/HCP4A SKFC2216KV+H316* SKFCR14864 SKFCR15451 SKFCR20x32x7CRW1R SKFCR34x56x8CRW1R SKFCR36X47X7HMSA10RG SKFFYT1.1/4TF SKFNKI6/12TN SKFOKF630

7221BEP角接触球轴承近似的SKF轴承型号

SKF7221BECBM SKF7221C/DB SKF7221B/DT SKF2x7221BECBM SKF7221BEP SKF7221B SKF7221C/DF SKF7221B/DF SKF7221BECBP SKF7221BECBP* SKF7221BECBP* SKF7222AC

用户关注最多的轴承狗热门型号

SKF  K8x11x8TN FYH  UKK309+H2309 国产  2217K KOYO  6219-Z TIMKEN  23322YM* RHP  7200B INA  RMWE12-RB/149x../54 国产  6008/1620 TIMKEN  48393/48320D/X2S-48393 TIMKEN  7208WN NMB  L-001ZZ TORRINGTON  23084CAC/W33 IKO  TA2510Z IKO  CFE24-1VBUUR IKO  NAU4915

版权所有©2009-2015 轴承狗zcgou.com ICP备案:津ICP备14004550号-13